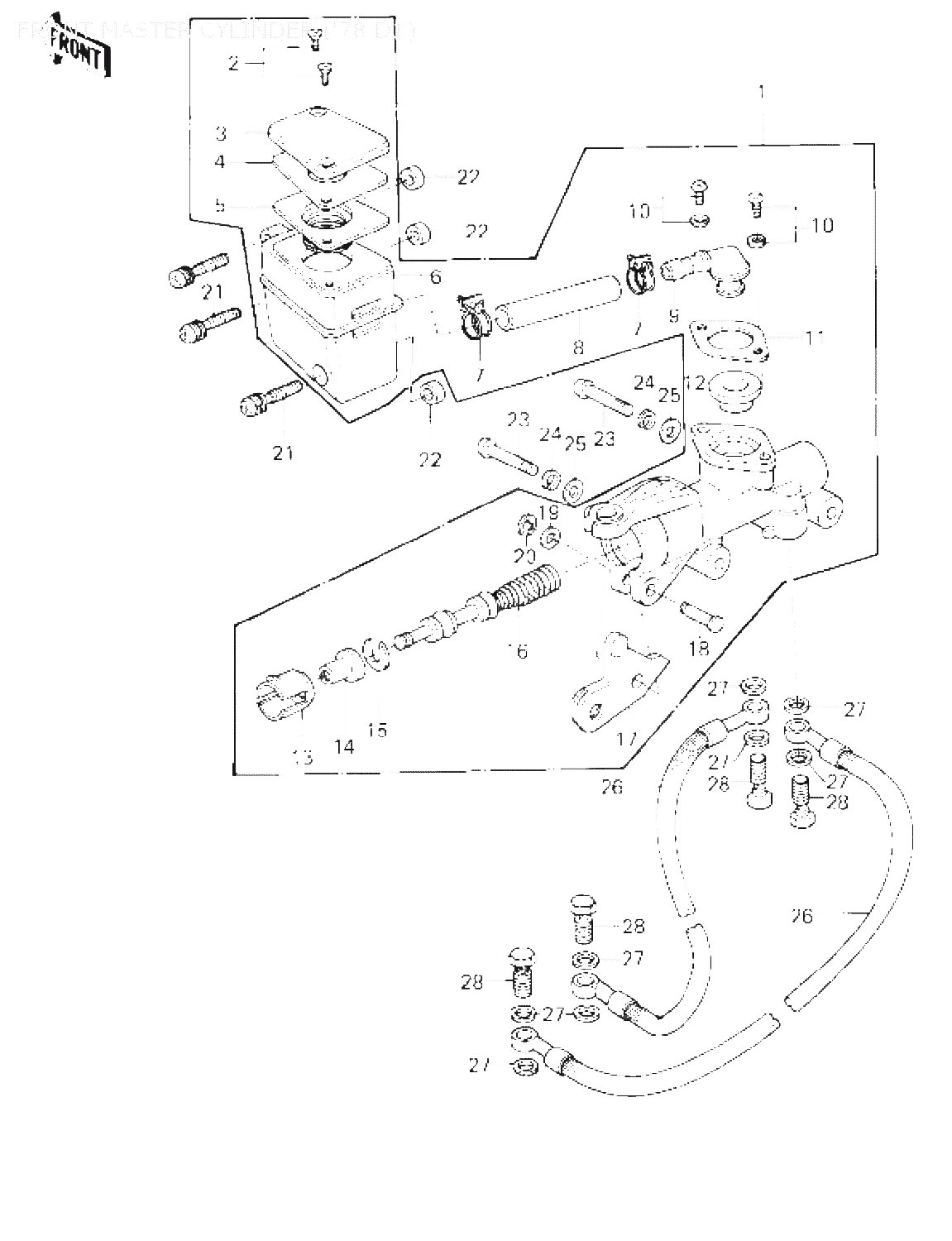
Kawasaki » KZ1000 (1978 KZ1000-D1 Z1R) » FRONT MASTER CYLINDER ('78 D1)

1
43015-1012
CYLINDER ASSY,MASTER,
4141:-
2
92001-1055
SCREW,COUNTERSUNK HED, åtgår 2st
*
3
43026-1004
CAP,BRAKE
*
4
43027-1003
PLATE,DIAPHRAGM
*
5
43028-1003
DIAPHRAGM
228:-
6
43078-1005
RESERVOIR
UTGÅTT
7
92033-1007
CLAMP, åtgår 2st
99:-
8
43059-1009
HOSE,BRAKE
138:-
9
13159-1003
CONNECTOR
654:-
10
92001-1081
BOLT,PLATE FITTING, åtgår 2st
18:-
11
13169-1081
PLATE
116:-
12
43049-1005
DUST SEAL
*
13
14008-1007
LINER,PISTON
83:-
14
49016-1010
DUST COVER
109:-
15
43022-1001
STOPER,PISTON
41:-
16
43020-1008
PISTON ASSY
UTGÅTT
17
43001-1016
LEVER,BRAKE
283:-
18
92043-1017
PIN,BRAKE LEVER FITT
58:-
19
92022-1042
WASHER,BRAKE LEVER FT
32:-
20
92033-1006
CIRCLIP
27:-
21
92009-1031
SCREW,PAN HEAD,6X28, åtgår 3st
39:-
22
92075-1038
DAMPER RUBBER, åtgår 3st
35:-
23
220B0-645
SCREW PAN HEAD 6X45, åtgår 2st
*
24
461F0-600
WASHER SPRING 6MM, åtgår 2st
*
25
411B0-600
WASHER PLAIN 6MM, åtgår 2st
*
26
43059-033
HOSE,CALIPER BRAKE, åtgår 2st
1276:-
27
43067-001
Denna artikel ersätts av 49091-0001
28
92002-1888
Denna artikel ersätts av 92153-0627



* Kontakta kundtjänst för prisuppgift: 018-15 60 00