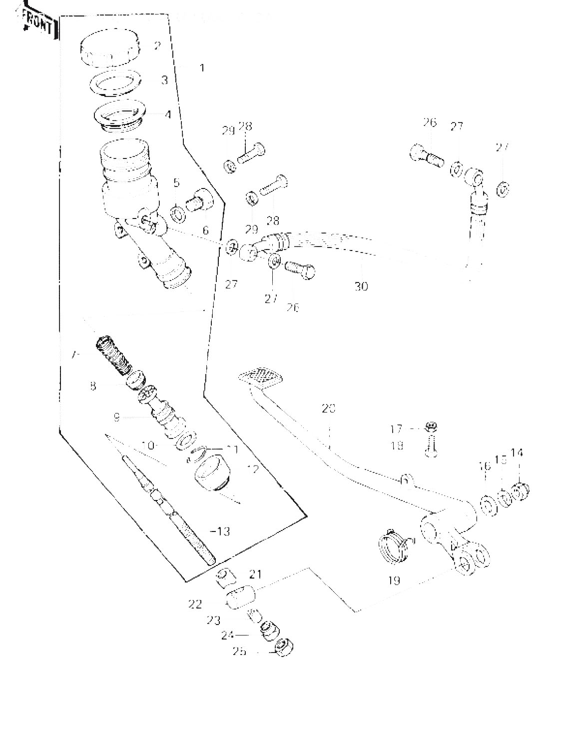
Kawasaki » KZ1000 (1978 KZ1000-D1 Z1R) » REAR MASTER CYLINDER/BRAKE PEDAL

1
43015-1013
CYLINDER ASY,MAST,RR
3716:-
2
43026-004
Denna artikel ersätts av 43026-003
3
43027-001
PLATE-MASTER CYLINDER
70:-
4
43028-003
DIAPHRAGM
165:-
5
43079-002
'O'RING
86:-
6
92001-1073
BOLT
129:-
7
43018-002
SPRING ASSY, RETURN
232:-
8
43019-002
CUP, PRIMARY
163:-
9
43072-004
PISTON ASSY
656:-
10
43022-002
STOPPER,PISTON
64:-
11
43058-004
RING,DUST SEAL
58:-
12
43024-003
DUST COVER
*
13
43011-1006
ROD,BRAKE
*
14
92019-013
Denna artikel ersätts av 92015-1131
15
461F0-800
WASHER SPRING 8MM
*
16
92022-1561
WASHER,8.5X20X1.6
40:-
17
311B0-600
NUT-HEX,6MM
*
18
112G0-620
BOLT-UPSET,6X20
*
19
92081-1046
SPRING,BRAKE PEDAL
114:-
20
43001-1014
PEDAL,BRAKE
*
21
92027-1065
COLLAR,BRAKE ROD
*
22
92043-1016
PIN,BRAKE ROD
110:-
23
92027-1065
COLLAR,BRAKE ROD
*
24
92015-1027
NUT,LOCK,10M/M
113:-
25
315B1-000
NUT 10MM
*
26
92002-1888
Denna artikel ersätts av 92153-0627
27
43067-001
Denna artikel ersätts av 49091-0001
28
92001-1577
BOLT,FLANGED,8X35, åtgår 2st
*
29
461F0-800
WASHER SPRING 8MM, åtgår 2st
*
30
43059-1006
HOSE,REAR MASTER
*



* Kontakta kundtjänst för prisuppgift: 018-15 60 00