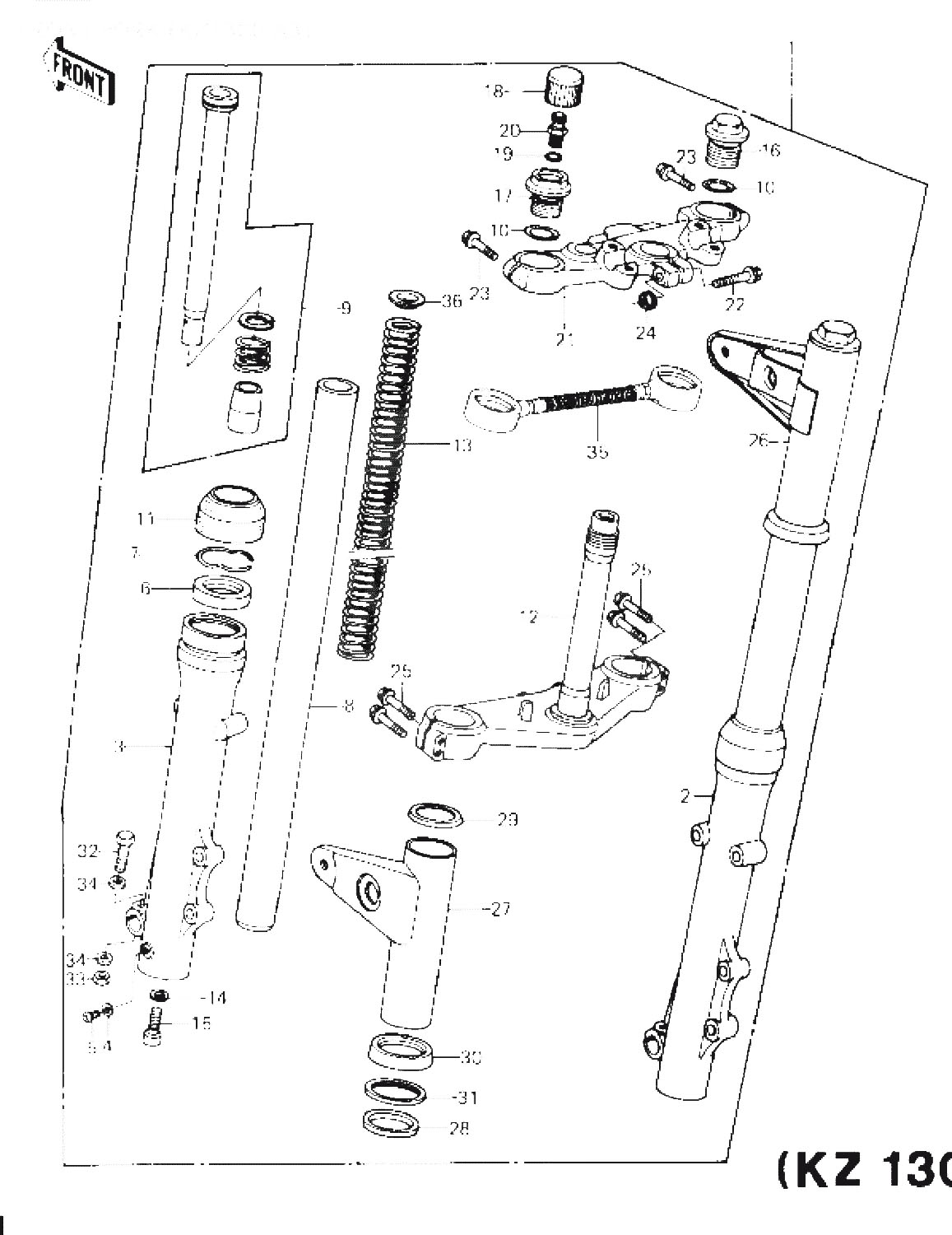
Kawasaki » Z1300 (1980 KZ1300-A2) » FRONT FORK (KZ1300-A3)

1
44001-1267
Denna artikel ersätts av 44001-1390
2
44006-1043
TUBE,RH,FORK OUTER
5452:-
3
44005-1043
TUBE,LH,FORK OUTER
5515:-
4
44045-002
GASKET FORK DRAIN PLG, åtgår 2st
45:-
5
220B0-408
SCREW-PAN-CROS, åtgår 2st
*
6
92049-1043
Denna artikel ersätts av 92049-1347
7
92033-1036
CIRCLIP, åtgår 2st
58:-
8
44013-1057
TUBE FORK INNER
3020:-
9
44022-1029
CYLINDER-FORK, åtgår 2st
1228:-
10
92055-1050
"0" RING,FORK TOP CAP, åtgår 2st
54:-
11
92093-1023
DUST SHIELD,FORK, åtgår 2st
*
12
44037-1016
STEM,STEERING
5845:-
13
44026-1028
SPRING,FORK, åtgår 2st
817:-
14
11009-1127
GASKET,FORK CYLINDER, åtgår 2st
44:-
15
92001-1309
BOLT,FORK CYLINDER, åtgår 2st
58:-
16
44029-1023
CAP FORK TOP RH
487:-
17
44029-1024
CAP FORK TOP LH
756:-
18
11012-1241
CAP,AIR VALVE
143:-
19
92055-1094
Denna artikel ersätts av 670B1506
20
16126-1052
VALVE AIR
250:-
21
44039-1013
HEAD,STEERING STEM
3472:-
22
92001-1398
BOLT FLANGED 8X55
46:-
23
92001-1189
BOLT,10X45, åtgår 2st
83:-
24
44007-1002
NUT,8M/M
*
25
92001-1188
BOLT,8X40, åtgår 4st
78:-
26
44033-1064
COVER FORK RH
1237:-
27
44033-1063
COVER FORK LH
1135:-
28
92075-1155
DAMPER,FORK COVER, åtgår 2st
*
29
13169-1164
GUIDE,FORK COVER,UPER, åtgår 2st
*
30
13169-1163
GUIDE,FORK COVER,LOWE, åtgår 2st
*
31
13169-1154
GUIDE,FORK COVER DMPE, åtgår 2st
*
32
114G0-855
BOLT,HEX HEAD,8X55, åtgår 2st
*
33
92015-1124
NUT,LOCK,8MM, åtgår 2st
*
34
410B0-800
WASHER PLAIN 8MM, åtgår 4st
*
35
51044-1005
HOSE ASSY FRONT FORK
1831:-
36
44028-1003
GUIDE,FORK SPRING, åtgår 2st
91:-



* Kontakta kundtjänst för prisuppgift: 018-15 60 00