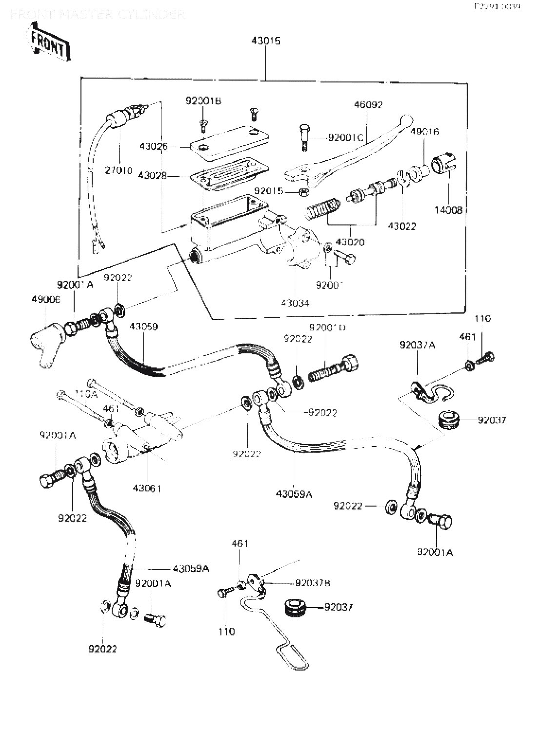
Kawasaki » KZ1000 (1981 KZ1000-M1 CSR) » FRONT MASTER CYLINDER

14008
14008-1007
LINER,PISTON
83:-
27010
27010-1028
SWITCH,BRAKE
229:-
43015
43015-1046
Denna artikel ersätts av 43015-1056
43020
43020-1023
PISTON-COMP-BRAKE
673:-
43022
43022-1001
STOPER,PISTON
41:-
43026
43026-1006
CAP,OIL CUP
*
43028
43028-1008
DIAPHRAGM
335:-
43034
43034-1001
HOLDER,MASTER CYLINDR
244:-
43059
43059-1085
HOSE-BRAKE,FR,L=500,W/SPRING
885:-
43059
43059-1192
HOSE-BRAKE,FR,L=600, åtgår 2st
885:-
43061
43061-1002
JOINT,FR BRAKE HOSE
570:-
46092
46092-1012
LEVER,FRONT BRAKE
311:-
49006
49006-1041
BOOT,DUST
92:-
49016
49016-1010
DUST COVER
109:-
92001
43033-003
BOLT,HEX HEAD,6X25, åtgår 2st
41:-
92001
92002-1888
Denna artikel ersätts av 92153-0627
92001
92001-1055
Denna artikel ersätts av 92153-0628
92001
92001-1056
Denna artikel ersätts av 92153-0628
92001
92002-1909
Denna artikel ersätts av 92153-0628
92015
312B0-600
NUT 6MM
*
92022
43067-001
Denna artikel ersätts av 49091-0001
92037
43064-006
DAMPER RUBBER,CYL HSE, åtgår 2st
39:-
92037
92037-1054
CLAMP,FRNT BRK HOSE
170:-
92037
92037-1116
CLAMP,CABLE
170:-
110
112G0-612
BOLT-UPSET,6X12, åtgår 2st
*
110
112G0-640
BOLT-UPSET,6X40, åtgår 2st
*
461
461F0-600
WASHER SPRING 6MM, åtgår 4st
*



* Kontakta kundtjänst för prisuppgift: 018-15 60 00