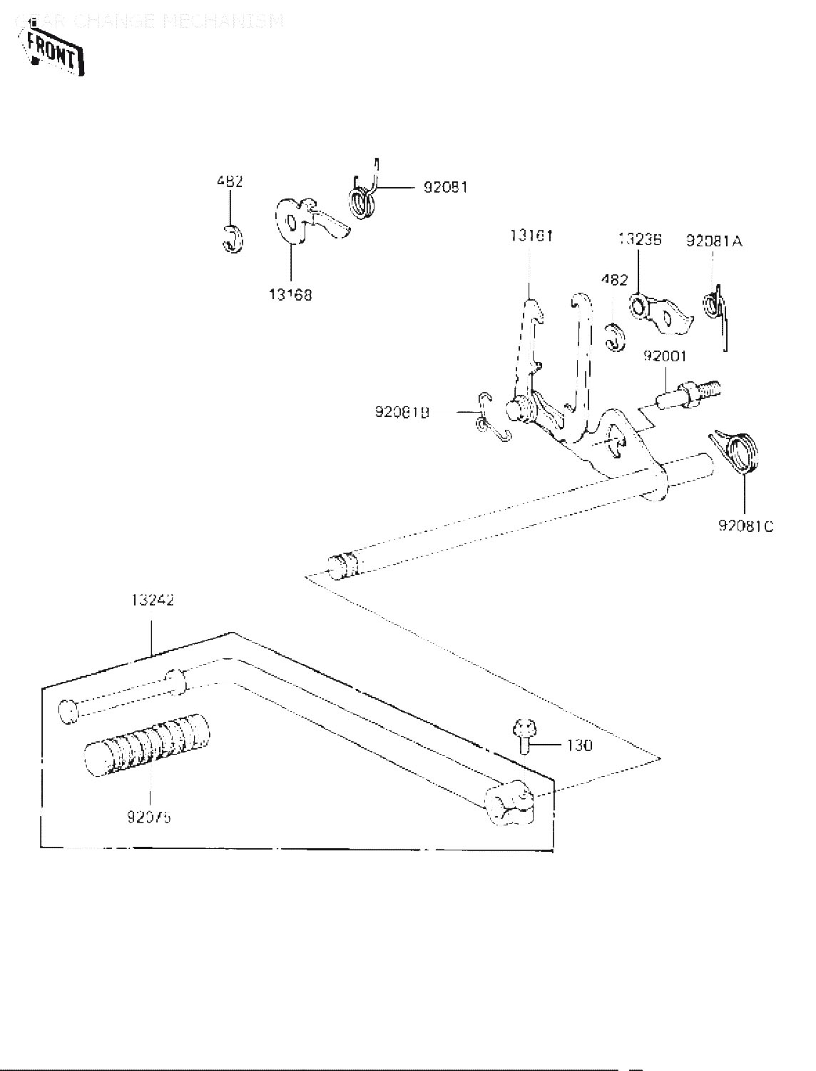
Kawasaki » KZ1000 (1981 KZ1000-M1 CSR) » GEAR CHANGE MECHANISM

13161
13161-1023
LEVER-COMP-CHANGE SHA
*
13168
13168-1074
LEVER,GEAR POSITIONIN
80:-
13236
13236-1029
LEVER-COMP,NEUTRAL PO
110:-
13242
13242-006
PEDAL ASSY,GEAR CHANG
*
92001
92001-1401
Denna artikel ersätts av 92001-1455
92075
13157-004
Denna artikel ersätts av 92161-1532
92081
92081-1284
SPRING,POSITIONING LE
78:-
92081
92081-1285
SPRING
78:-
92081
92083-018
SPRING,KICK PAWL
78:-
92081
92083-028
SPRING,CHG PEDL RTRN
*
130
130P0-620
BOLT-FLANGED,6X20
*
482
482J6-000
CIRCLIP 6MM, åtgår 2st
*



* Kontakta kundtjänst för prisuppgift: 018-15 60 00