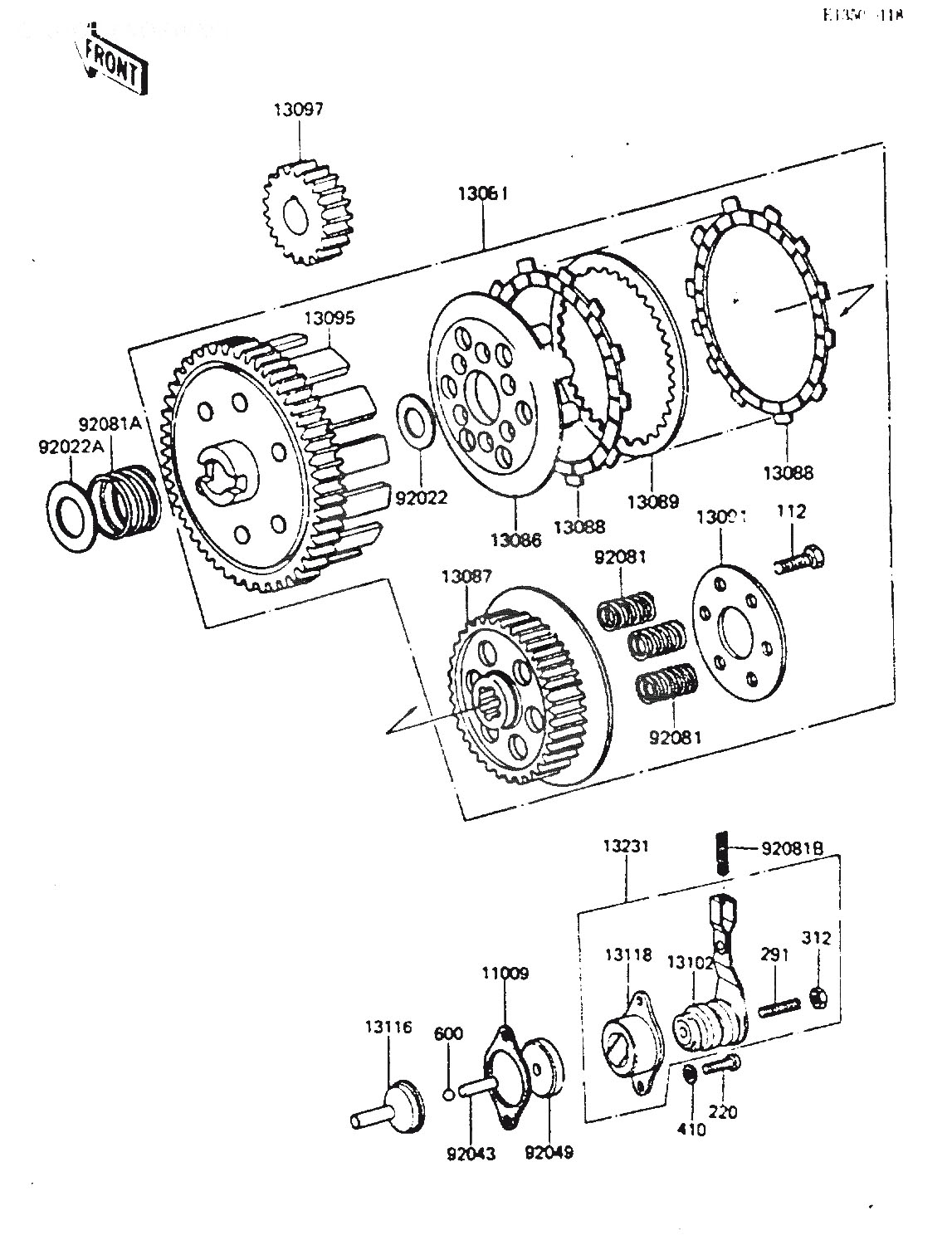
Kawasaki » KE100 (1982 B1: KE100) » CLUTCH (NORWAY)





Förstora bilden


Copyright 2023 Lelles MC


Varukorg


Köpinformation


Kontakta oss