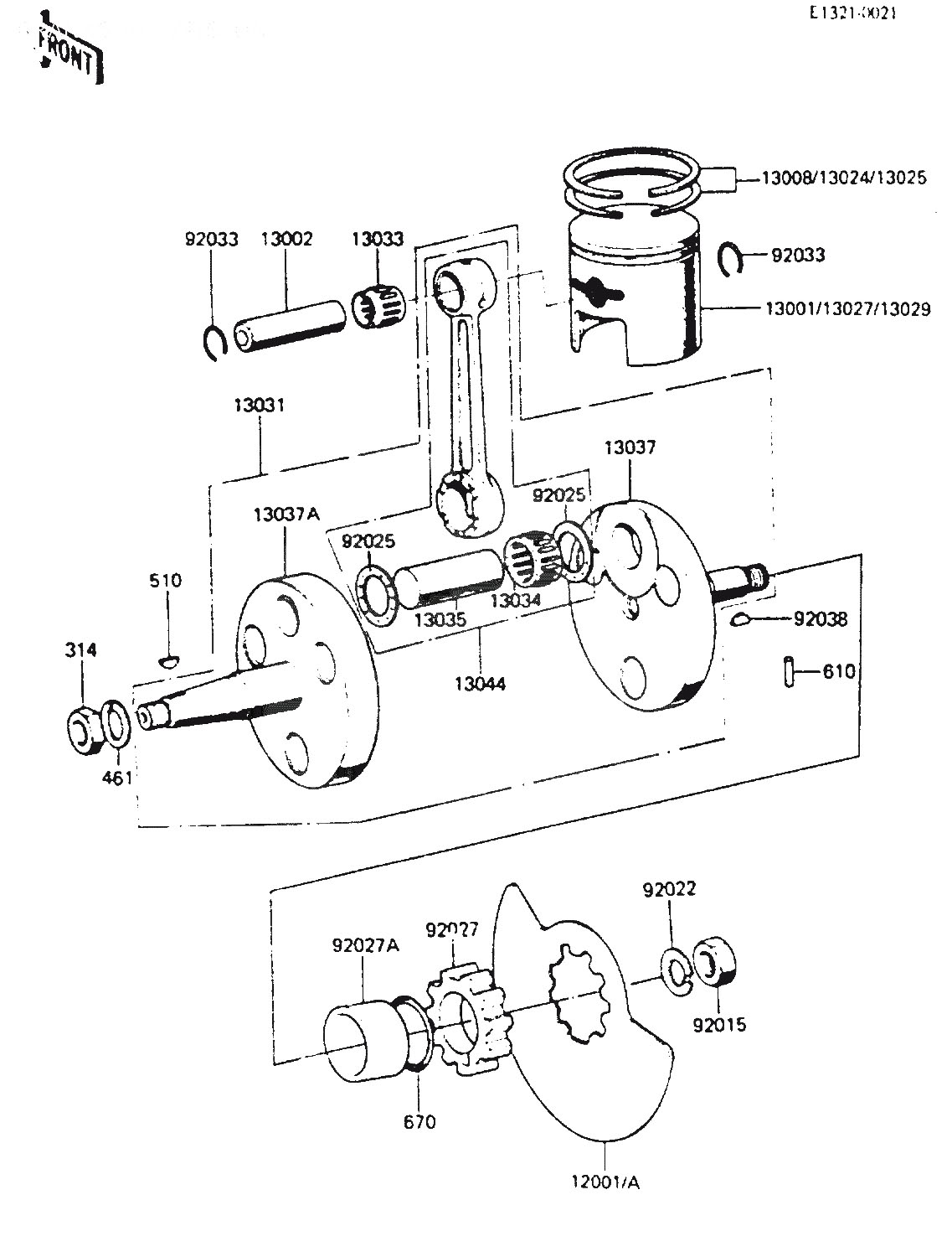
Kawasaki » KE100 (1982 B1: KE100) » CRANKSHAFT/PISTON

12001
12002-030
VALVE,ROTARY DISC
172:-
13001
13001-1065
Denna artikel ersätts av 13001-1659
13002
13002-003A
PIN-PISTON
*
13008
13008-5043
RING-SET-PISTON, STD
540:-
13024
13024-5021
RING-SET-PISTON LL,O/S 1.00
640:-
13025
13025-5021
RING-SET,PISTON L,O/S
640:-
13027
13027-1035
Denna artikel ersätts av 13027-0005
13029
13029-1036
Denna artikel ersätts av 13029-0005
13031
13036-043
CRANK&CONROD ASSY
4863:-
13033
13033-030
BEARING,SMALL END
237:-
13034
13034-034
BEARING,BIG END
245:-
13035
13035-025
CRANK PIN
237:-
13037
13037-1135
CRANKSHAFT,RH
2102:-
13037
13037-1136
CRANKSHAFT,LH
2102:-
13044
13044-5015
CONNECTING ROD SET
1565:-
92015
92015-006
NUT 12MM
46:-
92022
92024-003
WASHER LOCK 12MM
40:-
92025
92025-047
WASHER-SIDE, åtgår 2st
87:-
92027
92027-1245
COLLAR,ROTARY VALVE
91:-
92027
92027-285
COLLAR,CRANKSHAFT
91:-
92033
92036-003
CIRCLIP PISTON PIN, åtgår 2st
*
92038
92038-003
WOODRUFF KEY PRY PINI
22:-
314
314B1-000
NUT,10MM
*
461
461E1-000
WASHER-SPRING,10MM
*
510
510A3-200
WOODRUFF KEY
*
610
610A0-410
PIN DOWEL 4X10
*
670
670B2-016
"0" RING,16MM
*



* Kontakta kundtjänst för prisuppgift: 018-15 60 00