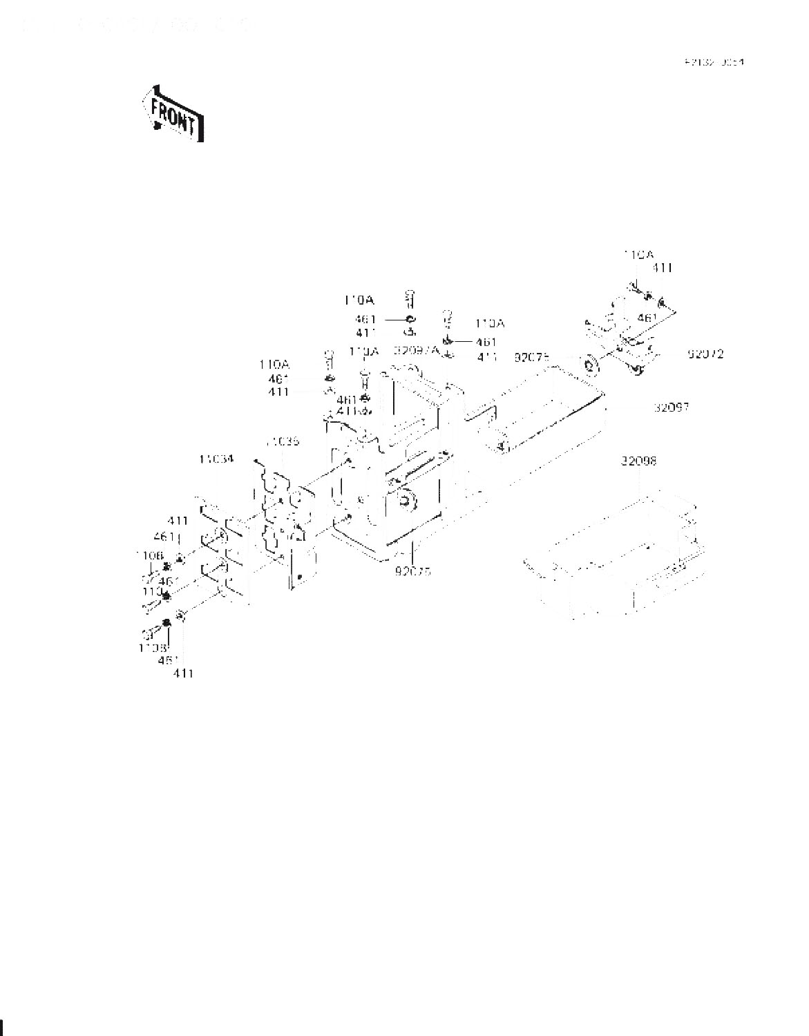
Kawasaki » Z1100 (1983 KZ1100-D2 Spectre) » BATTERY CASE/TOOL CASE

11034
11034-1918
BRACKET
170:-
11036
11036-1783
BRACKET-A,COUPLER
345:-
32097
32097-1034
CASE-BATTERY
910:-
32097
32097-1045
CASE-BATTERY
910:-
32098
32098-1015
CASE-TOOL
*
92072
92072-1070
BAND,BATTERY CASE,BLA
146:-
92075
92075-078
DAMPER RUBBER, åtgår 2st
31:-
110
112G0-610
BOLT,6X10
*
110
112B0-614
BOLT-UPSET 6X14, åtgår 5st
*
110
112B0-622
BOLT 6X22, åtgår 2st
*
411
411B0-600
WASHER PLAIN 6MM, åtgår 7st
*
461
461F0-600
WASHER SPRING 6MM, åtgår 8st
*



* Kontakta kundtjänst för prisuppgift: 018-15 60 00