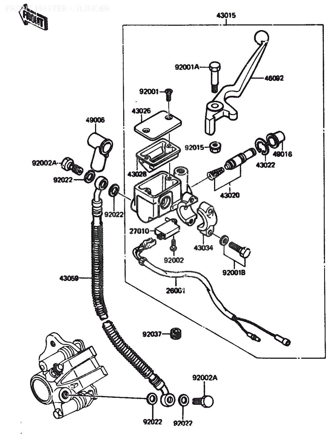
Kawasaki » AR125 (1986 A4: AR125) » FRONT MASTER CYLINDER

26001
26001-1725
HARNESS,MASTER CYLIND
356:-
27010
27010-1170
Denna artikel ersätts av 27010-0025
43015
43015-1297
Denna artikel ersätts av 43015-1480
43020
43020-1031
Denna artikel ersätts av 43020-1098
43022
43022-1010
STOPPER-BRAKE,PISTON
44:-
43026
43026-1021
CAP-BRAKE,MASTER CYLI
269:-
43028
43028-1035
DIAPHRAGM,MASTER CYLI
196:-
43034
43034-1016
HOLDER-BRAKE,MASTER C
168:-
43059
43059-1214
Denna artikel ersätts av 43059-1606
46092
46092-1119
LEVER-GRIP,FRONT BRAK
157:-
49006
49006-1067
BOOT,DUST
85:-
49016
49016-1044
COVER-SEAL,MASTER CYL
94:-
92001
92001-1727
Denna artikel ersätts av 92002-1894
92001
92001-1728
Denna artikel ersätts av 92002-1894
92001
92001-1729
Denna artikel ersätts av 92002-1894
92002
92002-1323
Denna artikel ersätts av 92153-0627
92002
92002-1888
Denna artikel ersätts av 92153-0627
92015
92015-1233
NUT,FLANGED,6MM
50:-
92022
43067-001
Denna artikel ersätts av 49091-0001
92037
43064-007
DAMPER RUBBER
*



* Kontakta kundtjänst för prisuppgift: 018-15 60 00