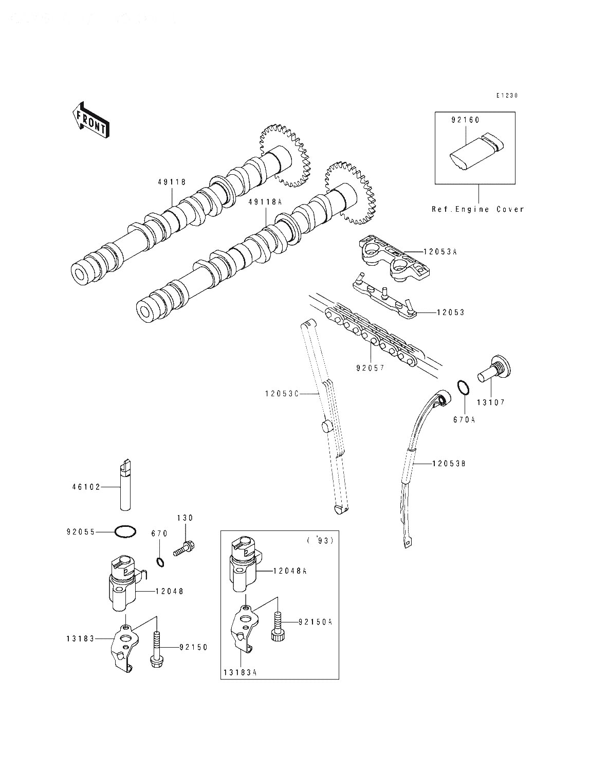
Kawasaki » ZX400 (1992 L2: ZX400) » CAMSHAFT/TENSIONER

130
130G0-508
BOLT-FLANGED
*
670
670B1-506
"O" RING,6M/M
*
670
670D2-014
0 RING,14MM
*
12048
12048-1096
TENSIONER-ASSY
545:-
12053
12053-1244
Denna artikel ersätts av 12053-1344
12053
12053-1245
Denna artikel ersätts av 12053-1344
12053
12053-1265
Denna artikel ersätts av 12053-1344
12053
12053-1266
Denna artikel ersätts av 12053-1344
13107
13107-1226
SHAFT
194:-
13183
13183-1258
PLATE
68:-
46102
46102-1261
ROD,CAM CHAIN TENSIONER
288:-
49118
49118-1088
CAMSHAFT-COMP,EXHAUST
4220:-
49118
49118-1095
CAMSHAFT-COMP,INTAKE
4220:-
92055
92055-086
RING-O
39:-
92057
92057-1328
Denna artikel ersätts av 92057-1427
92150
92150-1137
BOLT,6X35, åtgår 2st
50:-
92160
92160-1134
DAMPER
58:-



* Kontakta kundtjänst för prisuppgift: 018-15 60 00