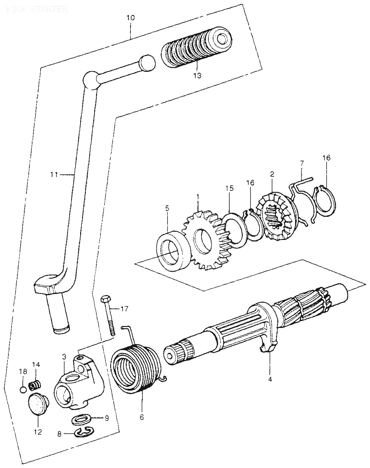
Honda » CB400F (FOUR) (CB400F SUPER SPORT 400 FOUR K0 USA) » KICK STARTER

1
28211-333-020
PINION,KICK
*
2
28221-333-010
RACHET,STARTER
*
3
28241-333-010
JOINT,KICK ARM
*
4
28251-333-010
SPINDLE,STARTER
*
5
28259-333-010
COLLAR,SPINDLE
*
6
28261-333-030
SPRING,STARTER
*
7
28271-333-000
SPRING,STARTER
*
8
28293-333-000
CLIP,KICK STARTER
42:-
9
28294-333-000
WASHER,KICK ARM
*
10
28300-377-000
ARM COMP,KICK
*
11
28301-377-000
ARM,KICK STARTER
*
12
28305-333-010
CAP,KICK ARM
*
13
28311-329-000
RUBBER,KICK
92:-
14
28333-333-000
SPRING,KICK
*
15
90454-107000
WASHER,B.THRUST
36:-
16
90605-200000
SET RING,20MM, åtgår 2st
46:-
17
92000-06036
BOLT,HEX 6X36
32:-
17
92200-06035
BOLT, HEX., 6X35
32:-
17
92201-060350A
BOLT,HEX,6X35
32:-
18
96211-10000
BALL,STEEL.,10
8:-



* Kontakta kundtjänst för prisuppgift: 018-15 60 00