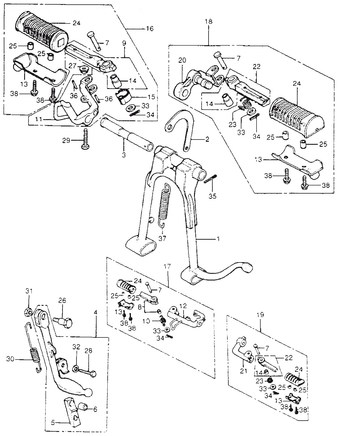
Honda » CB400F (FOUR) (CB400F SUPER SPORT 400 FOUR K0 USA) » MAIN STAND / FOOTPEGS / SIDE STAND

1
50500-377-000B
STAND COMP,MAIN
*
2
50523-333-000
HOOK,MAIN STAND
*
3
50526-286-000
PIPE,STAND PIVOT
352:-
3
50526-399-000
SHAFT,STAND PIVOT
352:-
4
50540-377-670B
BAR ASSY,SIDE
*
5
50548-356-700
RUBBER,STAND
138:-
6
50549-356-700
COLLAR,STAND
43:-
7
50603-033-000
(50603-033-010) PIN, BAR JOINT, åtgår 2st
44:-
7
50603-033-010
PIN,STEP BAR JOIN, åtgår 2st
44:-
9
50616-377-000
ARM COMP,R STEP
*
10
50617-283-000
SPRING, RETURN
*
11
50618-377-000B
BAR COMP,R STEP
*
13
50619-375-000
STOPPER,STEP RUB., åtgår 2st
*
13
50619-388-000
STOPPER,STEP RUB., åtgår 2st
148:-
14
50620-310-000
INNER PIPE,STEP, åtgår 2st
89:-
15
50620-377-000
SPR,R STEP RETURN
*
18
50640-377-000B
STEP ASSY,L
*
20
50641-377-000B
BAR COMP,L STEP
*
22
50642-369-670B
ARM,L STEP
971:-
23
50644-283-000
SPRING, RETURN
*
24
50661-369-000
RUBBER,STEP, åtgår 2st
212:-
25
84706-286-000
COLLAR NO BRACKET, åtgår 4st
39:-
26
90108-283000
SCREW,PIVOT
113:-
27
90352-122003
NUT,DRIVEN SPRKT.
112:-
28
92000-06028
BOLT,HEX 6X28
37:-
28
92101-060280A
BOLT,HEX.,6X28
36:-
29
92023-06025
BOLT,HEX.,6X25
27:-
29
92023-060250A
BOLT,HEX.,6X25
12:-
29
92025-060250A
BOLT,HEX.,6X25
27:-
30
95014-72401
Denna artikel ersätts av 9501472402
30
95014-72402
SPRING,D STAND
63:-
31
94030-10000
NUT.HEX 10MM
7:-
32
94101-06000
WASHER,PLAIN, 6MM
8:-
32
94101-06080
WASHER PLAIN 6MM
*
32
94101-06800
WASHER,PLAIN,6MM
9:-
33
94101-08000
WASHER,PLAIN,8MM, åtgår 2st
9:-
34
94201-16250
PIN SPLIT,1.6, åtgår 2st
9:-
35
94201-25300
PIN COTTER 2.5MM
9:-
36
94305-40163
PIN,SPRING,4X16, åtgår 2st
11:-
37
95014-71701
Denna artikel ersätts av 9501471702
37
95014-71702
SPRING.G,M.STAND
94:-
38
95700-06018
BOLT,FRANG,6X18, åtgår 4st
14:-
38
95700-060180A
BOLT,FLANGE,6X18, åtgår 4st
7:-
38
95700-0601800
BOLT,FLANGE,6X18, åtgår 4st
14:-
38
95701-0601800
BOLT FLANGE 6X18, åtgår 4st
14:-



* Kontakta kundtjänst för prisuppgift: 018-15 60 00