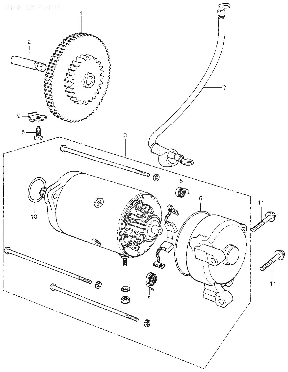
Honda » CB400F (FOUR) (CB400F SUPER SPORT 400 FOUR K0 USA) » STARTER MOTOR

1
28101-377-000
GEAR,REDUCTION
*
2
28106-333-000
SHAFT,GEAR
*
3
31200-333-000
Denna artikel ersätts av 31200333405
4
31201-230-174
BRUSH,CARBON
341:-
5
31204-225-154
SPRING, BRUSH, åtgår 2st
*
5
31204-230-174
SPRING,BRUSH, åtgår 2st
40:-
6
31206-286-158
Denna artikel ersätts av 31206402008
6
31206-402-008
O-RING,60X1.4
138:-
7
32410-333-000
CABLE,STARTING
*
8
90081-512010
6M/M STOPPER BOLT
*
9
90433-283000
WASHER, LOCK, 6MM
*
10
91309-300000
Denna artikel ersätts av 91312MG7003
10
91309-425003
Denna artikel ersätts av 91312MG7003
10
91312-MG7003
O-RING,24.4X3.1
124:-
11
95700-06028
BOLT,FLANGE 6X28, åtgår 2st
28:-
11
95700-0602800
BOLT,FLANGE,6X28, åtgår 2st
28:-
11
95701-0602800
BOLT,FLANGE,6X28, åtgår 2st
28:-



* Kontakta kundtjänst för prisuppgift: 018-15 60 00