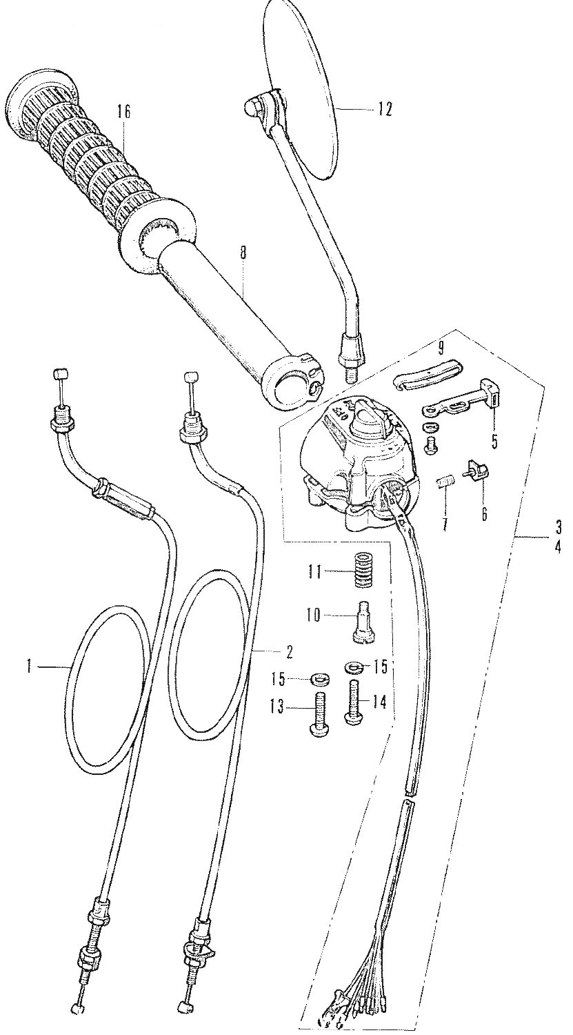
Honda » CB500 (FOUR) (CB500 FOUR K1 (EUROPEAN DIRECT SALES)) » R/H HANDLE SWITCH - CABLE

1
17910-323-620
CABLE A,THROTTLE
*
2
17920-323-620
(17920-323-405) CABLE B,THROTTLE
460:-
4
35300-300-730
SWITCH ASSY,.KILL
*
5
35315-235-000
KNOB,DIMMER SW.
119:-
6
35317-001-310
BUTTUN, HORN
62:-
7
35318-259-000
SPRING,
35:-
8
53141-300-010
PIPE,THROTTLEGRIP
225:-
9
53163-300-020
ADJUSTER,GRIP
86:-
10
53190-300-000
BOLT,ADJUSTER
148:-
11
53191-300-000
SPRING,ADJUSTER
91:-
12
88110-323-610
MIRROR,R BACK
*
13
93500-050250A
SCREW,PAN,5X25
16:-
14
93500-050320A
SCREW CROSS 5X32
921:-
15
94111-05000
WASHER,SPG.,5MM, åtgår 2st
15:-
16
53165-342-670
RUBBER,R GRIP
273:-



* Kontakta kundtjänst för prisuppgift: 018-15 60 00