Honda » CB500 (FOUR) (CB500 FOUR K1 (EUROPEAN DIRECT SALES)) » STARTING MOTOR

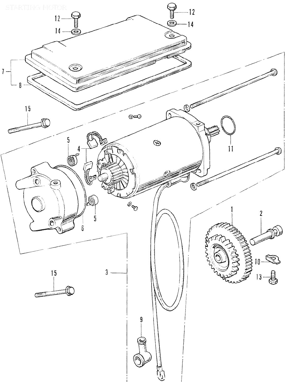
1
28101-323-000
GEAR,STARTER
1893:-
2
28106-323-000
SHAFT,STARTER
*
3
31200-323-013
Denna artikel ersätts av 31200426405
4
31201-292-158
BRUSH.SET,MOTOR, åtgår 2st
312:-
5
31204-292-158
SPRING, åtgår 2st
62:-
6
31206-286-158
O RING
120:-
7
31280-323-000
COVER,START MOTOR
*
8
31282-323-300
PACKING,STARTING
138:-
9
32411-253-000
COVER TERMINAL, åtgår 2st
75:-
10
90433-283000
WASHER, LOCK, 6MM
*
11
91309-300000
Denna artikel ersätts av 91312MG7003
12
92000-0601202
BOLT, HEX., 6X12, åtgår 2st
26:-
13
92000-06012
BOLT,HEX 6X12
20:-
14
94101-06200
WASHER,PLAIN 6MM, åtgår 2st
21:-
15
95700-06055
BOLT,FLANGE 6X55, åtgår 2st
38:-



* Kontakta kundtjänst för prisuppgift: 018-15 60 00