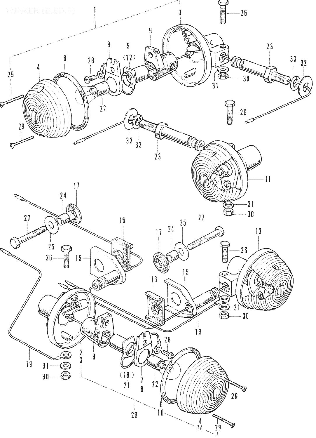
Honda » CB500 (FOUR) (CB500 FOUR K1 (EUROPEAN DIRECT SALES)) » WINKER (E,ED,F)

1
33400-317-730
WINKER ASSY.,R
*
2
33401-268-671
BASE WINKER, åtgår 2st
*
3
33401-292-003
BASE,WINKER, åtgår 2st
601:-
4
33402-268-671
LENS WINKER, åtgår 2st
155:-
5
33402-292-003
SOCKET,R.WINKER
*
6
33406-268-671
PACKING, LENS, åtgår 2st
33:-
7
33407-268-671
HOLDER, FRONT WINKER SOCKET, åtgår 2st
*
8
33407-284-000
SOCKET,WINKER, åtgår 2st
*
9
33408-284-000
RUBBER,WINKER, åtgår 4st
*
10
33443-268-671
PACKING,LENS, åtgår 2st
33:-
11
33450-317-730
WINKER ASSY.,L
*
12
33453-292-003
SOCKET,L.WINKER
*
13
33600-323-631
WINKER,R REAR
*
14
33602-323-631
(33602-323-632) LENS,REAR WINKER, åtgår 2st
158:-
15
33607-292-000B
STAY,REAR WINKER, åtgår 2st
556:-
16
33608-286-000
RUBBER,MOUNT, åtgår 2st
46:-
17
33608-300-000
RUBBER,MOUNT, åtgår 2st
117:-
18
33610-300-000
SOCKET R REAR
*
19
33620-300-000
CORD,WINKER EARTH, åtgår 2st
*
20
33650-323-631
WINKER,L REAR
*
21
33660-300-000
SOCKET L REAR
*
22
34905-271-611
BULB, WINKER, åtgår 4st
47:-
23
90154-292610
BOLT WINKER FRONT, åtgår 2st
*
24
90324-300000
COLLAR,8M/M, åtgår 2st
61:-
25
90428-844650
WASHER,8MM, åtgår 2st
*
26
93000-0602802
BOLT,HEX.6X28, åtgår 4st
33:-
27
93100-080400B
BOLT,HEX.,8X40, åtgår 2st
46:-
28
93500-050080A
SCREW,CROSS 5X8, åtgår 4st
618:-
29
93700-030253B
SCREW CROSS 3X25, åtgår 8st
1003:-
30
94001-06000
Denna artikel ersätts av 94001062000S
30
18362-720-000
Denna artikel ersätts av 9405006000
31
94101-06000
WASHER,PLAIN, 6MM, åtgår 4st
15:-
32
94101-10000
WASHER,10MM, åtgår 2st
15:-
33
94111-10000
SPG-WASHER 10MM, åtgår 2st
15:-



* Kontakta kundtjänst för prisuppgift: 018-15 60 00