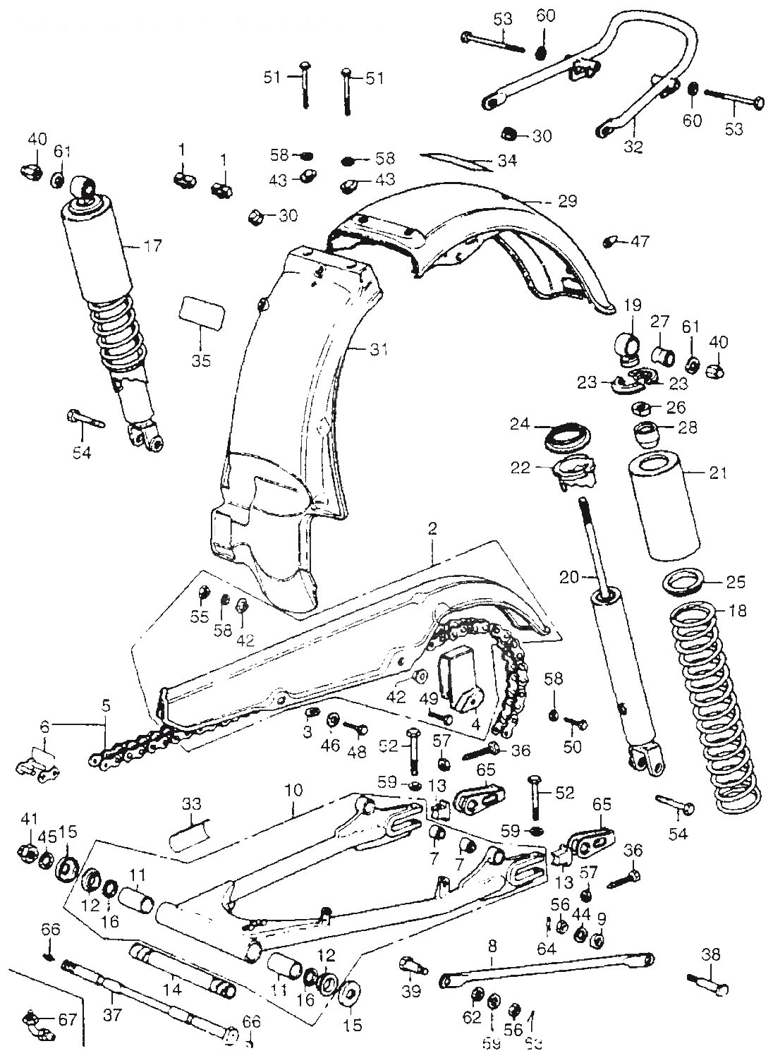
Honda » CB550 (FOUR) (CB550K1 FOUR (USA)) » SWINGARM / REAR SHOCK ABSORBER

1
32985-300-000
GROMMET,WIRE CORD, åtgår 2st
53:-
2
40510-323-000B
CASE,DRIVE CHAIN
*
3
40511-300-000
COLLAR CHAIN CASE
110:-
4
40512-300-000
PLATE,CHAIN.CASE
*
5
40530-341-305
CHAIN,DRIVE
*
6
40531-341-305
Denna artikel ersätts av 40531404003
7
40548-268-000
BUSH, RUBBER, åtgår 2st
76:-
8
43431-340-000
ARM,RR.BRAKE
*
9
43434-286-000
RUBBER CUSHION
35:-
10
52100-323-040B
FORK,REAR
*
11
52108-300-300
BUSH,FORK.PIVOT, åtgår 2st
580:-
12
52109-283-300
THRUST BUSH, åtgår 2st
117:-
13
52136-300-000
STOPPER CHAIN, åtgår 2st
153:-
14
52141-300-000
COLLAR RR FORK
1413:-
15
52144-283-010
CAP, FORK, åtgår 2st
70:-
16
52145-283-000
RING RR FORK, åtgår 2st
46:-
17
52400-323-670XW
CUSHION ASSY.,RR., åtgår 2st
*
18
52401-323-000
SPRING,RR CUSHION, åtgår 2st
*
19
52403-312-000
JOINT,UPPER, åtgår 2st
*
20
52410-323-670
DAMPER,REAR, åtgår 2st
*
21
52421-300-000XW
CASE RR CUSHION, åtgår 2st
*
22
52422-329-000
ADJUSTER,SPRING, åtgår 2st
*
23
52424-331-003
STOPPER,CUSHION, åtgår 4st
110:-
24
52458-329-000
SEAT,UNDER SPRING, åtgår 2st
*
25
52459-312-003
SEAT,RR.CUSHION, åtgår 2st
*
26
52482-312-000
NUT,LOCK 10MM, åtgår 2st
*
27
52484-292-000
RUBBER,JOINT, åtgår 2st
48:-
28
52517-312-000
RUBBER,STOPPER, åtgår 2st
*
29
80100-323-670XW
FENDER A,REAR
*
30
80102-323-000
GROMMET,WIRE CORD, åtgår 2st
31:-
31
80103-323-000
FENDER B,REAR
*
32
84101-374-670
BUMPER, RR.
*
33
87504-028-670
MARK, CAUTION
43:-
34
87507-374-670
MARK, TIRE CAUTION
*
34
87507-374-671
MARK,TIRE CAUTION
*
36
90119-300000
BOLT,CHAIN ADJUST, åtgår 2st
172:-
37
90121-300000
BOLT,FORK PIVOT
423:-
38
90127-323000
BOLT,REAR BRAKE
117:-
39
90133-286000
BOLT,STOPPER ARM
100:-
40
90309-315000
NUT,RR CUSHION UP, åtgår 2st
70:-
41
90354-268000
NUT, SELF LOCK
101:-
42
90512-300000
WASHER (6X20), åtgår 2st
36:-
43
90513-323000
WASHER,6X9, åtgår 2st
36:-
44
90524-030000
WASHER, HANDLE
31:-
45
90526-268000
WASHER, PIVOT
43:-
46
90581-701000
(90581-831-650) WASHER (18MM)
31:-
46
90581-831650
WASHER (18MM)
31:-
47
90899-323610
PLUG,CORN
*
48
92000-06012
BOLT,HEX 6X12
20:-
48
92101-06012
BOLT,HEX.,6X12
18:-
48
92101-060120A
BOLT,HEX.,6X12
19:-
49
92000-06014
BOLT,HEX 6X14
18:-
49
92101-060140A
BOLT,HEX.,6X14
19:-
50
92000-06016
BOLT,HEX., 6X16
10:-
50
92000-060160A
BOLT,HEX 6X16
880:-
50
92000-060161A
BOLT,HEX.,6X16
880:-
50
92100-060160A
BOLT,HEX.,6X16
15:-
50
92101-060160A
BOLT,HEX.,6X16
880:-
50
92200-060160A
BOLT,HEX,6X16
880:-
51
92000-06028
BOLT,HEX 6X28, åtgår 2st
36:-
51
92101-060280A
BOLT,HEX.,6X28, åtgår 2st
35:-
52
92000-080400A
BOLT,HEX 8X40, åtgår 2st
35:-
52
92101-080400A
BOLT,HEX.,8X40, åtgår 2st
32:-
53
93000-080800B
BOLT,HEX.,8X80, åtgår 2st
*
54
93000-100320A
BOLT HEX 10X32, åtgår 2st
*
54
93100-100320A
BOLT.,HEX.,10X32, åtgår 2st
*
55
90310-KA3711
NUT HEX 6MM
15:-
55
94000-060000S
NUT,HEX.,6MM
1251:-
55
94001-06000
Denna artikel ersätts av 94001062000S
55
94001-060000S
NUT,HEX 6MM
15:-
55
94001-060080S
NUT,HEX.,6MM
1251:-
55
94001-062000S
NUT,HEX.,6MM
15:-
55
94030-06000
NUT,HEX 6MM
15:-
56
94001-080000S
NUT,HEX.,8MM, åtgår 2st
1003:-
57
94002-080000S
NUT,HEX.,8MM, åtgår 2st
921:-
58
94101-06000
WASHER,PLAIN, 6MM, åtgår 4st
15:-
58
94101-06080
WASHER PLAIN 6MM, åtgår 4st
*
58
94101-06800
WASHER,PLAIN,6MM, åtgår 4st
15:-
59
94101-08000
WASHER,PLAIN,8MM, åtgår 3st
15:-
60
94101-08200
WASHER 8MM, åtgår 2st
15:-
61
94101-10200
WASHER 10MM, åtgår 2st
16:-
62
94111-10000
SPG-WASHER 10MM
15:-
63
94201-20180
PIN,SPLIT, 2.0
15:-
63
94201-20200
PIN COTTER 2.0MM
15:-
63
94201-20220
PIN,SPLIT, 2.0
15:-
63
94201-20250
PIN,SPLIT, 2.0
15:-
63
94201-20280
PIN,SPLIT, 2.0
15:-
63
94201-20320
Denna artikel ersätts av 9420120300
63
94201-20350
PIN COTTER 2.0MM
15:-
63
94201-29220
PIN SPLIT 2,0 X 22
*
64
94251-08000
PIN,LOCK,8MM
15:-
65
95014-19000
ADJUSTER,CHAIN, åtgår 2st
185:-
66
96201-30000
NIPPLE,GREASE4.5, åtgår 2st
30:-
66
96201-30001
NIPPLE,GREASE4.5, åtgår 2st
33:-



* Kontakta kundtjänst för prisuppgift: 018-15 60 00