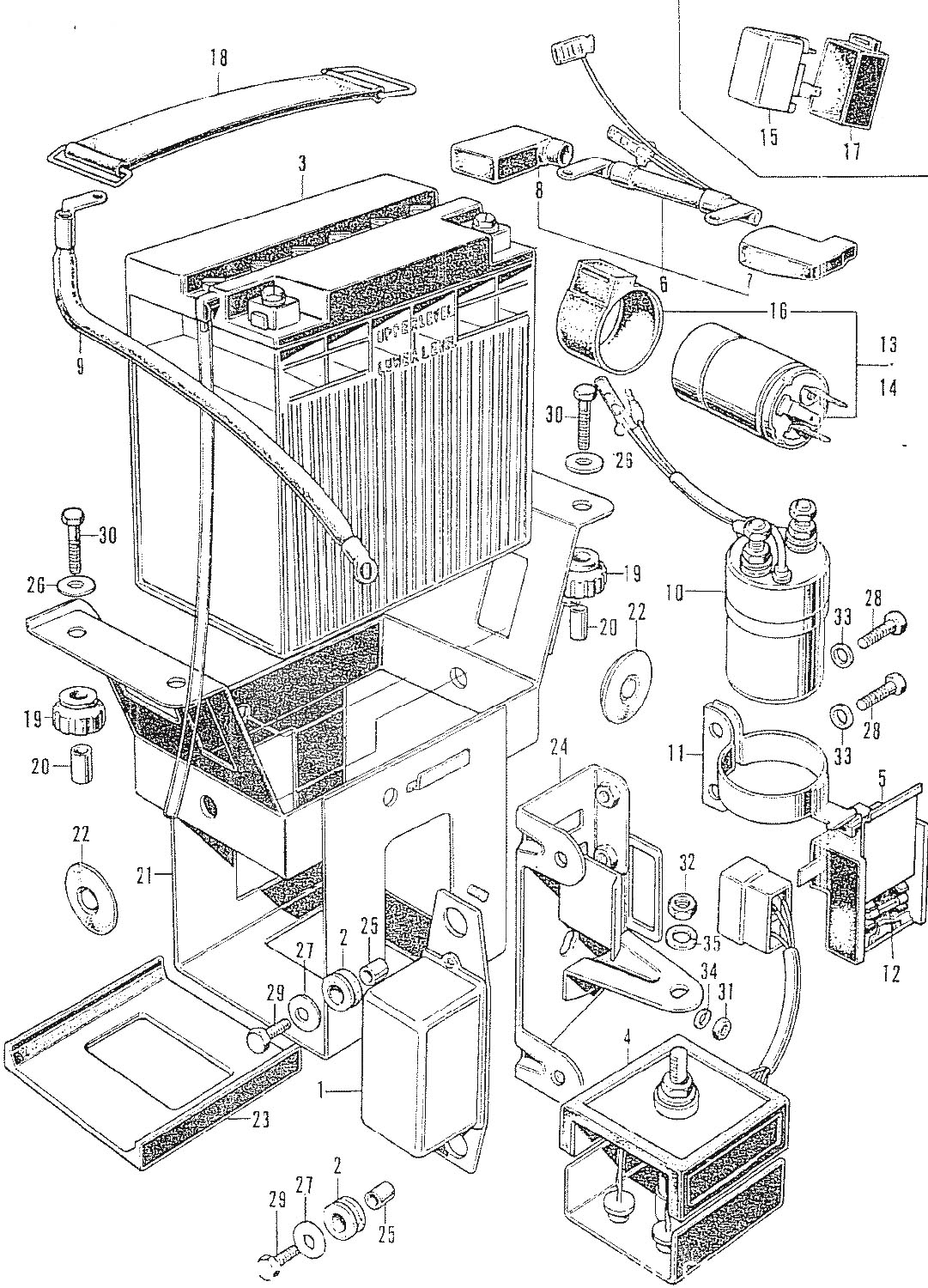
Honda » CB750 (FOUR) (CB750K1 (GERMANY)) » BATTERY - ELECTRIC

1
31400-300-035
REGULATOR
2425:-
2
31403-300-000
CUSHION,REGULATOR, åtgår 2st
73:-
3
31500-300-670
BATTERY,12N-14
2265:-
4
31700-300-035
(31700-333-008) RECTIFIER,SILICON
*
5
32110-300-000
BOX FUSE
580:-
6
32401-300-010
CABLE BATTERY
442:-
7
32412-300-010
COVER A BATTERY
*
8
32413-300-010
COVER B BATTERY
*
9
32601-300-000
CABLE BATTERY
427:-
10
35850-306-670
SWITCH,MAGNETIC
1941:-
11
35851-300-000
STAY STARTER SW
*
12
38201-250-000
FUSE,15A, åtgår 4st
10:-
14
38300-300-610
RELAY,WINKER
*
16
38306-292-000
SUSPENSION,WINKER
60:-
18
50322-300-010
BAND A,BATTERY
145:-
19
50323-300-010
RUBBER A BATTERY, åtgår 4st
87:-
20
50324-300-000
COLLAR BATTERY, åtgår 4st
43:-
21
50325-300-020
BOX BATTERY
*
22
50327-300-000
RUBBER B BATTERY, åtgår 4st
83:-
23
50329-300-010
RUBBER C BATTERY
*
24
50330-300-020
(50330-341-000) PLATE,ELECTRIC
*
25
84706-286-000
COLLAR NO BRACKET, åtgår 2st
38:-
26
90514-700000
Denna artikel ersätts av 9410306800
27
90581-701000
(90581-831-650) WASHER (18MM), åtgår 2st
31:-
28
92000-06012
BOLT,HEX 6X12, åtgår 2st
20:-
29
92000-06020
BOLT,HEX 6X20, åtgår 2st
18:-
30
92000-06025
BOLT,HEX 6X25, åtgår 4st
18:-
31
94001-06000
Denna artikel ersätts av 94001062000S
32
94001-080000S
NUT,HEX.,8MM
1003:-
33
94101-06000
WASHER,PLAIN, 6MM, åtgår 2st
15:-
34
94111-06000
WASHER,SPRING,6MM
15:-
35
94111-08000
SPG-WASHER 8MM
16:-



* Kontakta kundtjänst för prisuppgift: 018-15 60 00