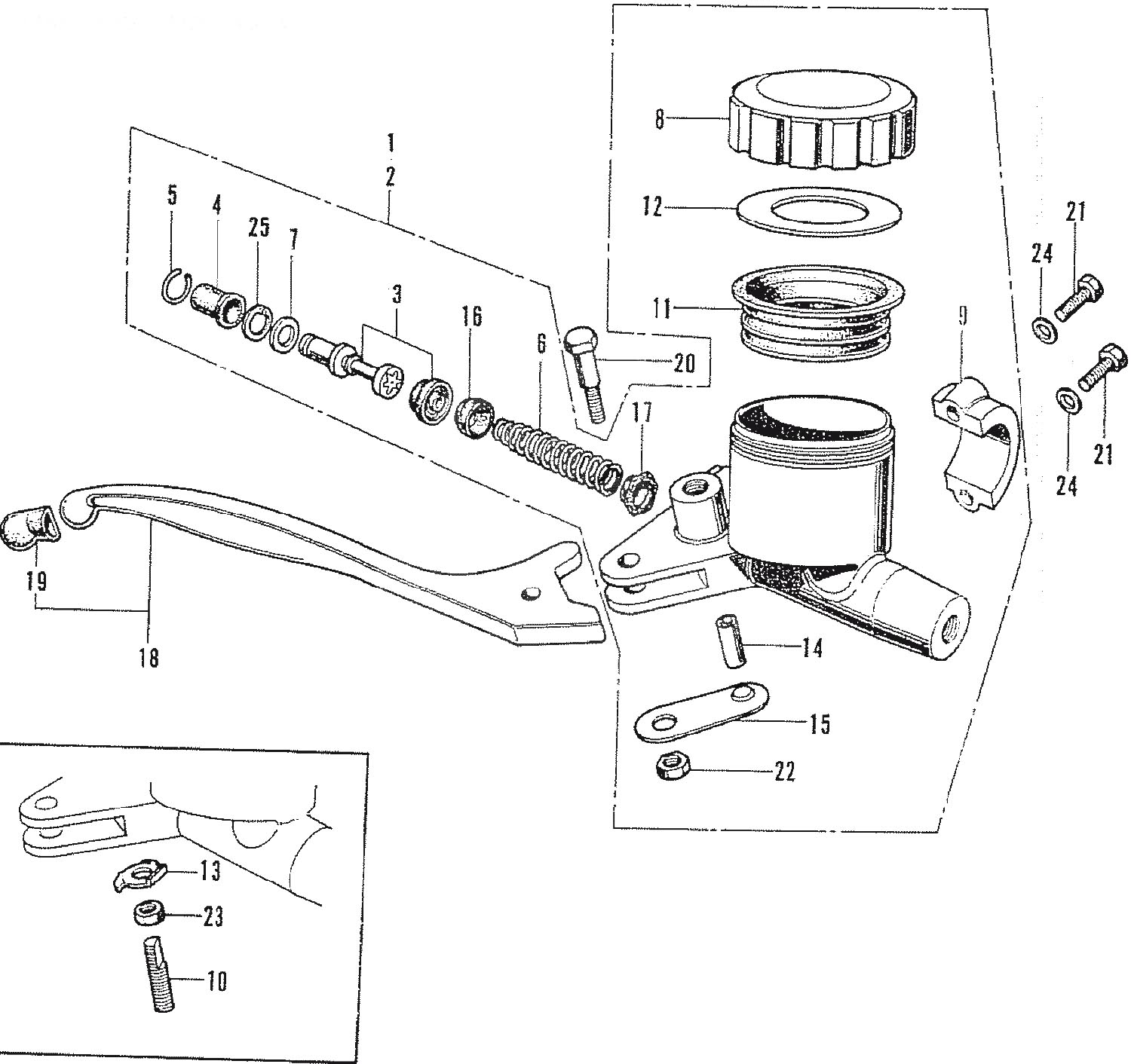
Honda » CB750 (FOUR) (CB750K1 (GERMANY)) » BRAKE MASTER CYLINDER

1
45500-300-040
CYLINDER,MASTER
*
1
45500-300-050
CYLINDER,MASTER
*
2
45500-300-623
CYLINDER,MASTER
*
3
45502-300-305
PISTON,SET
*
4
45504-300-003
BOOTS MASTER
*
5
45505-300-003
WASHER STOPPER
43:-
6
45506-300-003
SPRING MASTER
65:-
7
45512-300-003
WASHER 10.5
34:-
8
45513-300-020
CAP,OIL CUP
*
9
45517-300-003
(45517-MA5-671) HOLDER MASTER
382:-
11
45520-300-000
DIAPHRAGM
117:-
12
45521-300-010
Denna artikel ersätts av 45521MJ6006
14
45526-300-000
BUSH,R HANDLE
83:-
15
45527-300-000
PLATE,LEVER.BUSH
83:-
16
46125-533-003
CUP,PRIMARY FRONT
62:-
17
46140-533-003
VALVE, CHECK
105:-
18
53170-300-000
LEVER,R
*
19
53180-286-000
CAP LEVER
98:-
20
90114-300000
BOLT,HANDLE LEVER
195:-
21
92000-0602502
BOLT, HEX., 6X25, åtgår 2st
41:-
22
94002-06000
NUT,THIN 6MM
15:-
24
94101-06000
WASHER,PLAIN, 6MM, åtgår 2st
15:-
25
94520-18000
CIRCLIP IN 18MM
15:-



* Kontakta kundtjänst för prisuppgift: 018-15 60 00