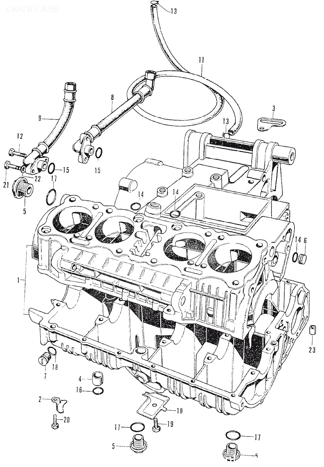
Honda » CB750 (FOUR) (CB750K1 (GERMANY)) » CRANKCASE

1
11010-300-070
CRANK CASE ASSY
*
1
11010-300-415
CRANKCASE,ASSY
*
1
11010-300-405
CRANKCASE,ASSY
*
1
11010-300-110
CRANK CASE ASSY.
*
2
11204-300-010
STOPPER,BOTTOM
*
3
11355-300-000
GUIDE,OVERFLOW
*
4
15326-300-000
COLLAR,OIL PATH
40:-
5
15331-300-000
CAP,OIL PATH
278:-
5
15331-300-000
CAP,OIL PATH, åtgår 3st
278:-
6
15336-300-010
PLUG,OIL PATH
99:-
7
15337-300-000
PLUG,OIL TUBE
*
7
15337-300-010
PLUG,OIL TUBE
*
8
15510-300-007
HOSE A,OIL
*
9
15520-300-007
COMP,B,OIL HOSE
*
10
15621-300-000
OIL GUIDE,FINAL
*
11
15761-300-010
TUBE A,BREATHER
*
11
15761-300-020
TUBE,A.BREATHER
*
12
90040-300000
BOLT,SPECIAL 6X25
*
13
90603-300000
CLIP,TUBE 9.7MM, åtgår 2st
15:-
14
91303-035000
PACKING,RUB.16M/M, åtgår 4st
65:-
14
91303-035000
PACKING,RUB.16M/M, åtgår 3st
65:-
15
91304-028000
O RING, 15X2.5, åtgår 2st
80:-
16
91311-044000
ORING 183
35:-
17
94608-40000
O RING 19.4X2.8
31:-
17
94608-40000
O RING 19.4X2.8, åtgår 3st
31:-
18
91319-300000
O RING,
156:-
19
92000-06016
BOLT,HEX., 6X16
10:-
20
92000-06020
BOLT,HEX 6X20
18:-
21
92000-06025
BOLT,HEX 6X25, åtgår 3st
18:-
22
94101-06000
WASHER,PLAIN, 6MM, åtgår 3st
15:-
23
94301-10160
DOWEL,PIN,10X16, åtgår 2st
30:-



* Kontakta kundtjänst för prisuppgift: 018-15 60 00