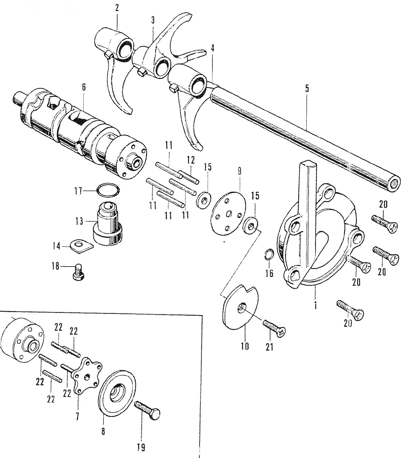
Honda » CB750 (FOUR) (CB750K1 (GERMANY)) » GEAR SHIFT FORK - DRUM

1
23150-300-010
HOLDER,SHAFT
696:-
2
24211-300-020
FORK,RIGHT SHIFT
689:-
3
24212-300-020
(24212-300-030) FORK,CENTER SHIFT
*
4
24213-300-020
FORK,LEFT SHIFT
*
5
24261-300-030
SHAFT,SHIFT FORK
*
6
24301-300-030
(24301-300-040) DRUM,GEAR SHIFT
*
7
24321-300-000
PLATE,STOPPER
*
8
24326-300-000
SIDE PLATE,SHIFT
*
9
24438-300-000
PLATE,SPACER
92:-
10
24441-300-010
PLATE,STOPPER
*
10
24441-300-020
PLATE,STOPPER
*
11
24443-300-000
ROLLER,4X23,8, åtgår 4st
*
12
24444-300-000
Denna artikel ersätts av 9622040208
13
35752-300-010
Denna artikel ersätts av 35752300020
14
35754-300-020
STOPPER,SWITCH
*
15
90436-300000
WASHER,20MM, åtgår 2st
*
16
91301-283000
O-RING,5X2.4
45:-
17
91311-044000
ORING 183
35:-
18
92000-06016
BOLT,HEX., 6X16
10:-
19
92000-06020
BOLT,HEX 6X20
18:-
20
93600-06020
SCREW, FLAT, 6X20, åtgår 4st
15:-
21
93600-06025
SCREW CROSS 6X25
*
22
96220-40198
ROLLER 4X19.8, åtgår 5st
15:-



* Kontakta kundtjänst för prisuppgift: 018-15 60 00