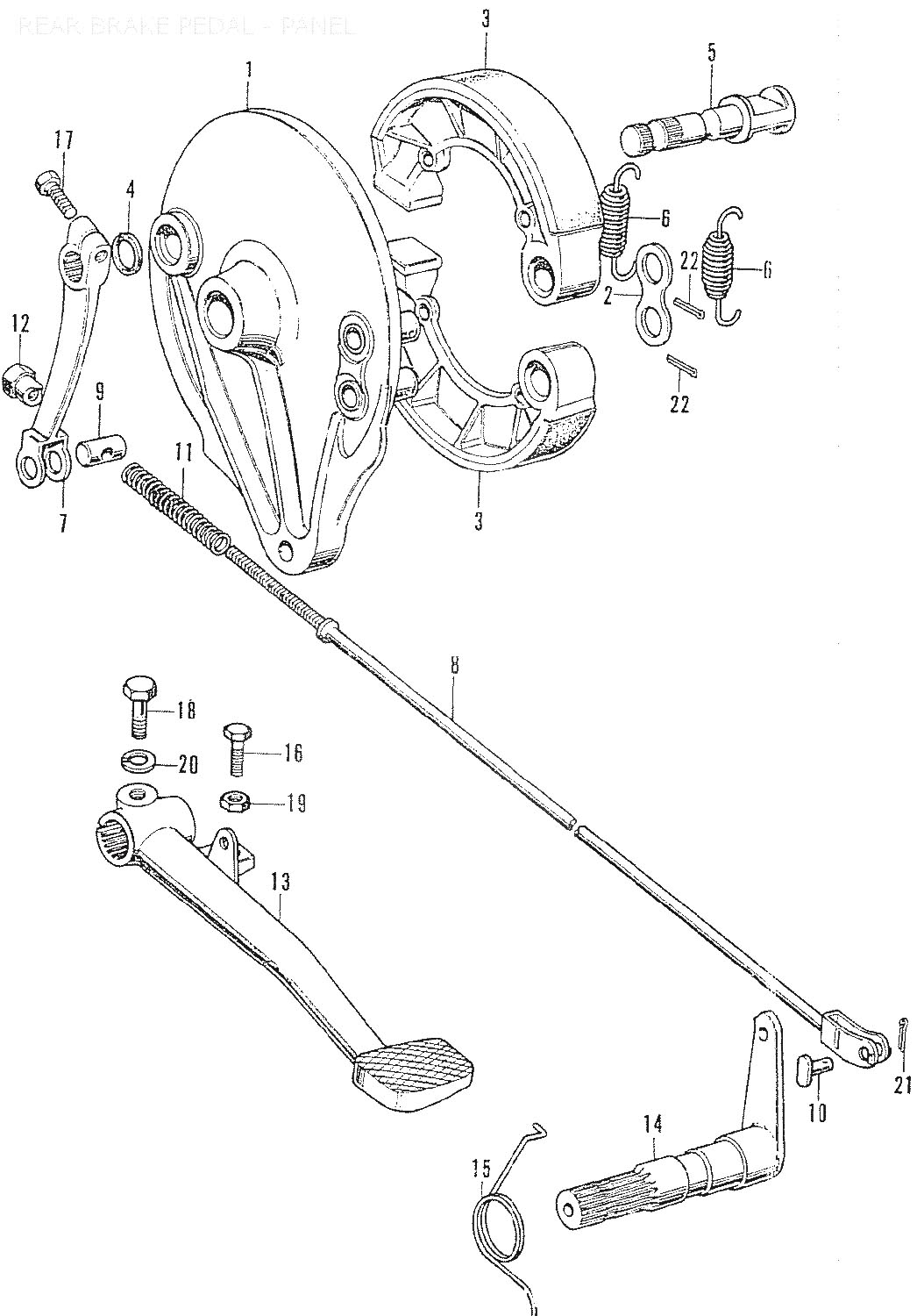
Honda » CB750 (FOUR) (CB750K1 (GERMANY)) » REAR BRAKE PEDAL - PANEL

1
43100-300-030
PANEL,RR.BRAKE
*
2
43102-319-000
WASHER,ANCHER PIN
51:-
3
43120-300-010
SHOE REAR BRAKE, åtgår 2st
*
4
43134-300-000
SEAL BRAKE CAM
31:-
5
43141-300-010
CAM,REAR BRAKE
*
6
95014-74320
SPRING,BRAKE SHOE, åtgår 2st
*
7
43410-300-020
ARM,REAR BRAKE
*
8
43451-300-010
ROD REAR BRAKE
*
9
43453-250-000
JOINT, BRAKE ARM
18:-
10
95015-52000
PIN,JOINT
55:-
11
43472-212-000
SPRING,BRAKE ROD
18:-
12
43486-250-000
NUT,ADJUST
55:-
13
46500-300-010
(46500-341-670) PEDAL,REAR BRAKE
*
14
46510-300-010
SPINDLE RR BRAKE
387:-
15
46514-300-000
SPRING BRAKE
*
17
92000-080220A
BOLT HEX 8X22
1292:-
18
92000-080280A
BOLT,HEX 8X28
32:-
20
94111-08000
SPG-WASHER 8MM
16:-
21
94201-16150
PIN,COTTER 1.6X15
15:-
22
94201-25200
PIN COTTER 2.5MM, åtgår 2st
15:-



* Kontakta kundtjänst för prisuppgift: 018-15 60 00