Honda
»
CB750 (FOUR) (CB750K1 (GERMANY))
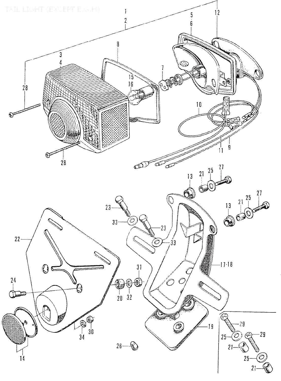
» TAIL LIGHT (EXCEPT E,G,H)
34
94111-05000
WASHER,SPG.,5MM
15:-
Förstora bilden