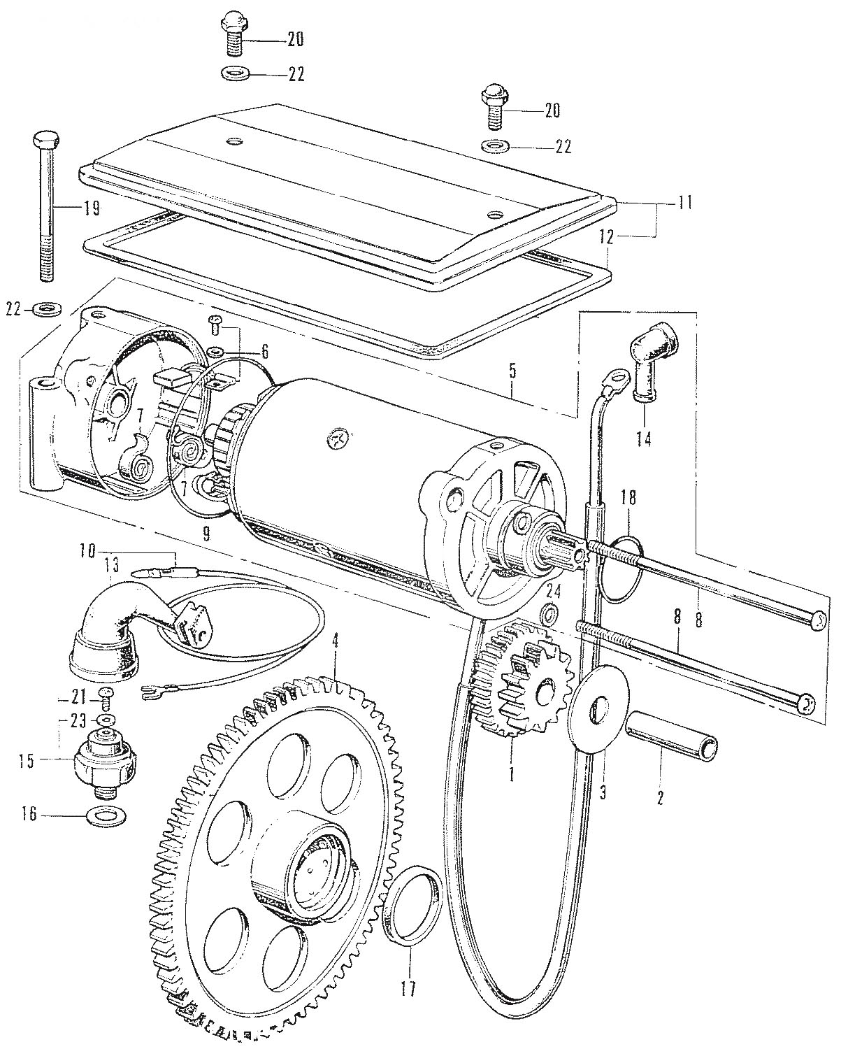
Honda » CB750 (FOUR) (CB750K2 FOUR (EUROPEAN DIRECT SALES)) » STARTING MOTOR

1
28101-300-000
GEAR,REDUCTION
*
2
28106-300-000
SHAFT,REDUCTION
*
3
28109-300-000
PL,GEAR SET
*
4
28110-300-000
GEAR,STARTING
*
5
31200-300-030
MOTOR,STARTING
*
6
31201-292-158
BRUSH.SET,MOTOR
312:-
7
31204-292-158
SPRING, åtgår 2st
62:-
8
31205-286-158
SET BT.GEAR COVER, åtgår 2st
*
9
31206-286-158
O RING
120:-
10
31270-300-000
CORD,OIL PRESS.SW
*
11
31280-300-000
COVER,STARTER
*
12
31282-300-020
PACKING COVER
138:-
13
31283-300-000
GROMET,CORD
*
14
32411-253-000
COVER TERMINAL
75:-
15
35500-300-000
SWITCH,OIL
1125:-
16
90545-300000
WASHER, OIL BOLT
47:-
17
91215-300003
OIL SEAL
101:-
18
91309-300000
O RING,
122:-
19
92000-06056
BOLT,HEX 6X56, åtgår 2st
22:-
19
95700-06056
BOLT,FLANGE 6X56, åtgår 2st
*
20
92000-0600802
BOLT, HEX., 6X8, åtgår 2st
18:-
21
93500-040050A
SCREW,PAN,4X5
10:-
22
94101-06000
WASHER,PLAIN, 6MM, åtgår 2st
15:-
23
94111-04000
WASHER,SPG.,4MM
16:-
24
94111-06000
WASHER,SPRING,6MM, åtgår 2st
15:-



* Kontakta kundtjänst för prisuppgift: 018-15 60 00