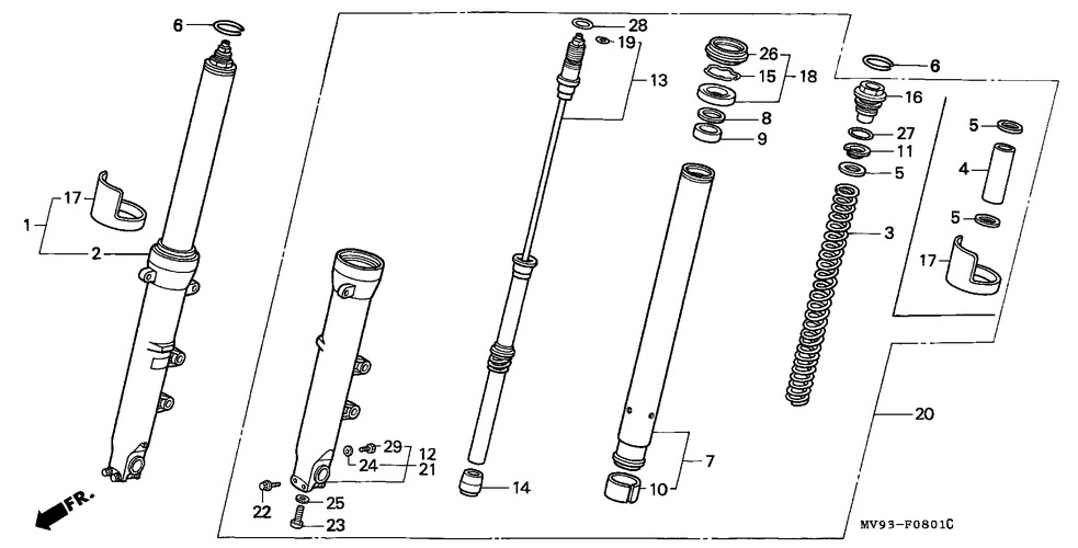
Honda » CBR600SET (Canada) » FRONT FORK (2)

1
51400-MAL-602
FORK ASSY., R. FR. (SHOWA) (###)
*
3
51401-MAL-601
SPRING, FR. FORK, åtgår 2st
802:-
4
51402-MV8-901
COLLAR, SPRING, åtgår 2st
208:-
5
51403-KF0-003
SEAT, SPRING, åtgår 4st
60:-
6
51405-MB4-003
RING, STOPPER, åtgår 2st
71:-
7
51410-MAL-601
PIPE COMP., FR. FORK, åtgår 2st
*
8
51412-MB4-003
RING, BACK UP, åtgår 2st
111:-
9
51414-KCR-003
BUSH, GUIDE, åtgår 2st
122:-
10
51415-KCR-003
BUSH, SLIDER, åtgår 2st
235:-
11
51415-MS2-003
SEAT, SPRING, åtgår 2st
103:-
12
51420-MAL-602
CASE COMP., R. BOTTOM
*
13
51430-MAL-601
DAMPER COMP., FR., åtgår 2st
*
14
51432-MS2-003
PIECE, OIL LOCK, åtgår 2st
411:-
15
51447-KA4-711
RING, OIL SEAL STOPPER, åtgår 2st
70:-
16
51454-KV3-781
BOLT, FR. FORK, åtgår 2st
1605:-
17
51460-MT3-611
PROTECTOR, FORK PIPE, åtgår 2st
173:-
18
51490-MN8-305
SEAL SET, FR. FORK, åtgår 2st
495:-
19
51496-MR7-003
LABEL, åtgår 2st
47:-
20
51500-MAL-602
FORK ASSY., L. FR. (SHOWA) (###)
*
21
51520-MAL-602
CASE COMP., L. BOTTOM
*
22
90109-MR7000
BOLT, FLANGE, 8X45, åtgår 4st
115:-
23
90116-383721
BOLT, SOCKET, 8X27, åtgår 2st
96:-
25
90544-283000
WASHER, SPECIAL, 8MM, åtgår 2st
36:-
26
91254-MM8003
SEAL, DUST, åtgår 2st
347:-
27
91311-PH7003
O-RING, 13.8X2.4, åtgår 2st
28:-
28
91356-KF0003
O-RING, 33.2X2.4, åtgår 2st
81:-



* Kontakta kundtjänst för prisuppgift: 018-15 60 00