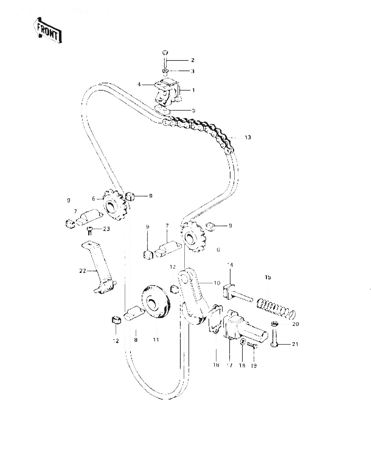
Kawasaki » Z900 (Z1) (KZ900 A4 1976 USA) » CAM CHAIN/TENSIONER

1
12057-001
IDLER ASSY
*
2
112G0-635
BOLT-UPSET,6X35, åtgår 4st
*
3
92027-155
COLLAR, åtgår 4st
60:-
4
92075-119
DAMPER RUBBER, åtgår 2st
162:-
5
92075-120
DAMPER RUBBER, åtgår 2st
162:-
6
12057-002
IDLER ASSY, åtgår 2st
2275:-
7
12052-005
SHAFT,GUIDE ROLLER, åtgår 2st
204:-
8
12052-003
SHAFT,CAM CHAIN GUIDE
114:-
2
92075-232
RUBBER,GUIDE ROLLAR, åtgår 4st
*
10
12048-001
TENSIONER ASSY,CHAIN
*
11
12055-002
ROLLER,CAM CHAIN GUID
270:-
12
92075-123
DAMPER RUBBER, åtgår 2st
55:-
13
21070-003
CHAIN,CAM SHAFT
570:-
14
12054-001
PUSH ROD,CAM CHAIN
*
15
92081-107
SPRING,TENSTIONER
118:-
16
11009-1980
GASKET,TENSIONER
46:-
17
12049-1003
HOLDER,TENSIONER
*
18
410B0-600
WASHER PLAIN 6MM, åtgår 2st
*
19
112G0-620
BOLT-UPSET,6X20, åtgår 2st
*
20
311B0-600
NUT-HEX,6MM
*
21
92003-093
BOLT,TENSIONER ADJUST
UTGÅTT
22
12053-019
GUIDE,CAM CHAIN
270:-
23
220B0-610
SCREW PAN HEAD 6X10
*



* Kontakta kundtjänst för prisuppgift: 018-15 60 00