Suzuki
»
A100 (A100 1975 (M))
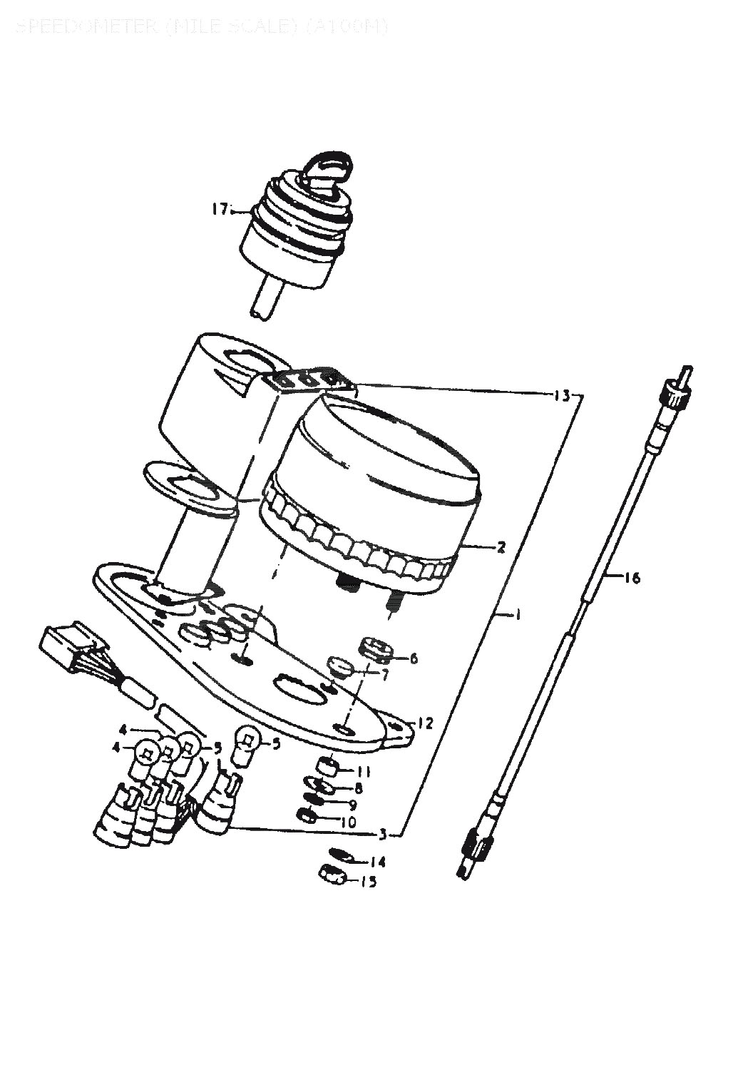
» SPEEDOMETER (MILE SCALE) (A100M)
Förstora bilden