Suzuki
»
CP80 (CP80 1985 (CHF))
» RESERVOIR A ESSENCE
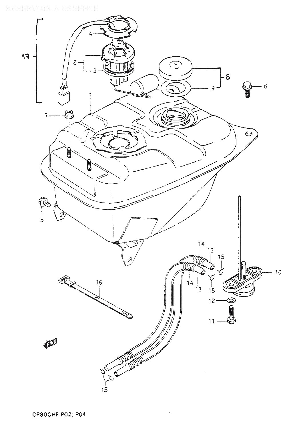
1
44110-03A10
TANK, FUEL
*
2
34810-03A02
GAUGE ASSY, FUEL LEVEL
*
3
34825-03A00
GASKET
155:-
4
34886-03A00
PLATE, FUEL LEVEL GAUGE
70:-
5
01514-06106
BOULON, åtgår 2st
*
6
01514-06166
BOULON, åtgår 2st
*
7
08316-26066
Denna artikel ersätts av
08316-20063
8
44210-35013
CAP, FUEL TANK
*
9
44248-35000
GASKET
*
10
44300-03A01
COCK ASSY, FUEL
1125:-
11
09128-06035
SCREW (6*20), åtgår 2st
*
12
09168-06026
GASKET, DRAIN BOLT, åtgår 2st
45:-
13
09352-50823
Denna artikel ersätts av
09352-50823-00B
14
09440-10022
SPRING, åtgår 2st
184:-
15
09401-08402
Denna artikel ersätts av
D9500-0093P
16
09407-18402
CLAMP (L:165)
33:-
17
34811-03A02
ESSENCE JAUGE COMP
*
* Kontakta kundtjänst för prisuppgift: 018-15 60 00
Förstora bilden