Suzuki » CP80 (CP80 1985 (CHF)) » TRANSMISSION (2)

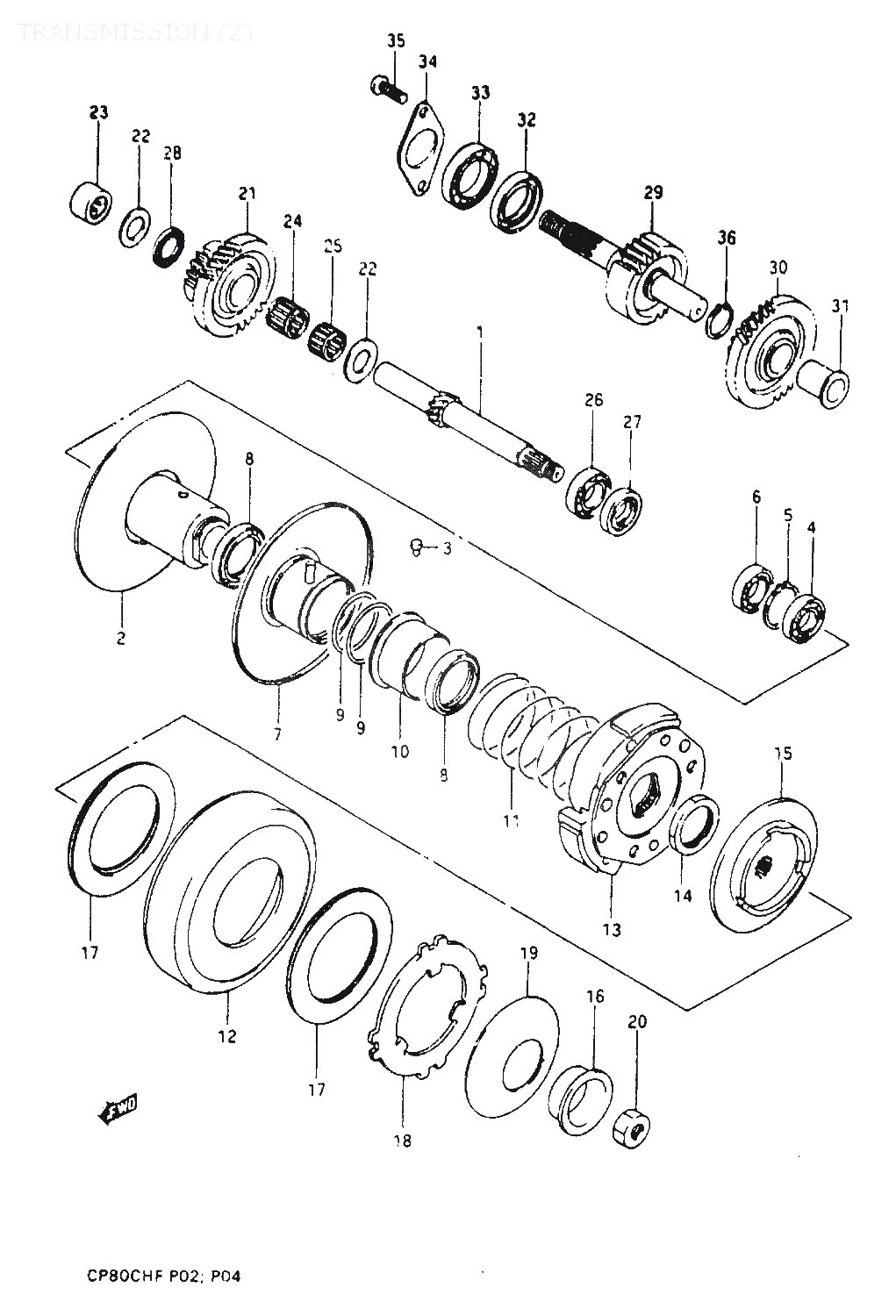
1
24131-29A03
AXE TRANSMISSION
1068:-
2
21210-03A03
Denna artikel ersätts av 21210-03A21
3
09201-06005
PIN, åtgår 3st
42:-
4
09262-12014
BEARING (12*24*6)
817:-
5
08331-41249
CIRCLIP
29:-
6
09262-15018
Denna artikel ersätts av 09262-15061
7
21240-03A06
Denna artikel ersätts av 21240-40B00
8
09283-34007
OIL SEAL (34X41X4), åtgår 2st
133:-
9
09280-41005
O RING (D:4.6,ID:41.9), åtgår 2st
40:-
10
21471-03A02
Denna artikel ersätts av 21471-03A03
11
09440-46001
SPRING
*
12
21220-29A01
CACHE
730:-
13
21501-03A10
Denna artikel ersätts av 21501-03A21
14
09152-28001
NUT
177:-
15
21411-29A01
MOYEU
577:-
16
21412-29A00
ARRET
117:-
17
21441-29A01
PLAQUE, åtgår 2st
188:-
18
21461-29A01
PLAQUE
67:-
19
09164-30003
RESSORT
157:-
20
09140-10035
ECROU
58:-
21
24271-16A05
GEAR, FINAL DRIVE (NT 27/14)
3395:-
22
08211-15281
Denna artikel ersätts av 09160-15045
23
09263-15009
BEARING, LH
212:-
24
09263-15039
BEARING (15*19*20)
*
25
09263-15038
BEARING (15*19*13)
369:-
26
08110-63020
Denna artikel ersätts av 09262-15027
27
09283-15003
OIL SEAL
103:-
28
09263-15003
BEARING (15X28X2)
145:-
29
24140-03A08
SHAFT, REAR AXLE
2825:-
30
24290-29A00
Denna artikel ersätts av 24290-29A01
31
09301-15002
BUSH
388:-
32
09283-27010
OIL SEAL, LH
153:-
33
08130-62047
BEARING
448:-
34
24751-07900
RETAINER, BEARING
49:-
35
02122-06168
Denna artikel ersätts av 02122-06167
36
08331-31229
CLIPS
28:-



* Kontakta kundtjänst för prisuppgift: 018-15 60 00