Suzuki » DR200 (DR200 1987 (H)) » KICK STARTER

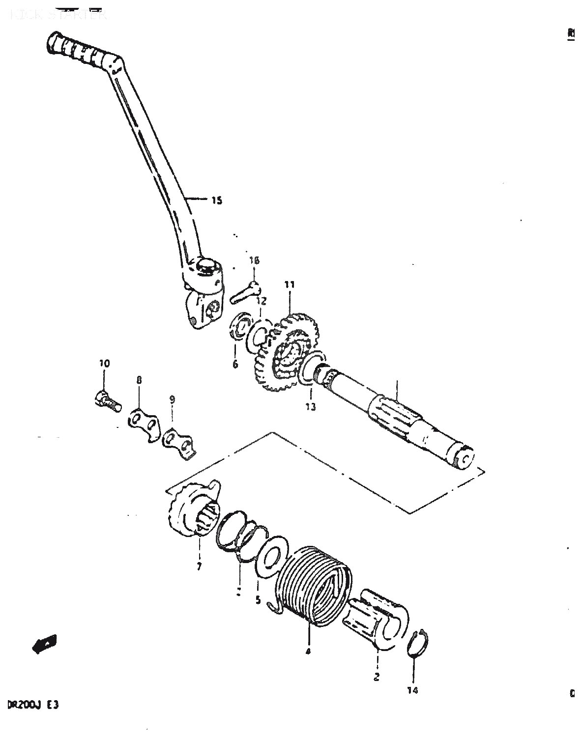
1
26211-05202
SHAFT, KICK STARTER
*
2
26221-05200
GUIDE, KICK STARTER
62:-
3
09440-32006
SPRING
27:-
4
09448-45003
SPRING
70:-
5
08211-17341
THRUST WASHER
34:-
6
09285-16003
OIL SEAL (16X24X5)
44:-
7
26231-38201
Denna artikel ersätts av 26231-38202
8
26232-38200
GUIDE, KICK STARTER
54:-
9
26233-32400
STOPPER, KICK STARTER
38:-
10
01107-08207
Denna artikel ersätts av 09100-08166
11
26240-42A01
GEAR, KICK DRIVE (NT:33)
*
12
09160-16003
WASHER (16X30X1)
38:-
13
08211-20261
WASHER, LH
*
14
09380-17001
CIRCLIP, LH
25:-
15
26300-42A00
LEVER ASSY, KICK STARTER
1335:-
16
09100-08193
BOLT
*



* Kontakta kundtjänst för prisuppgift: 018-15 60 00