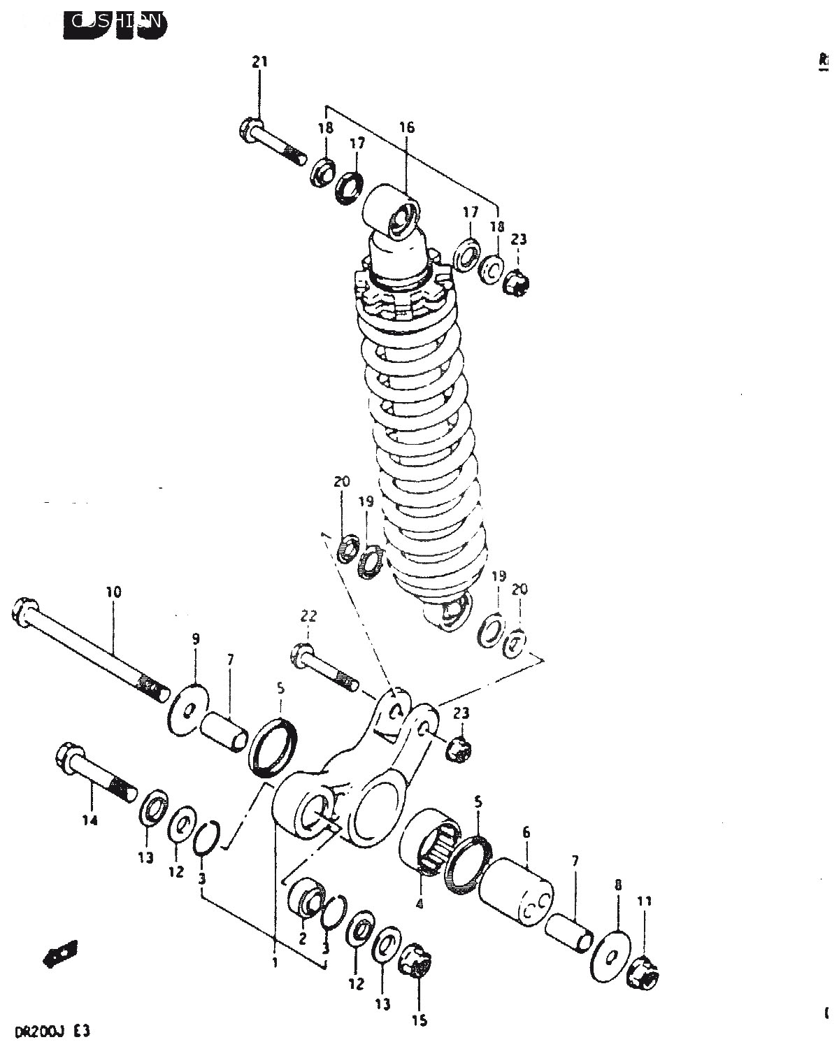
Suzuki » DR200 (DR200 1987 (H)) » REAR CUSHION

1
62600-42812
LEVER SET, REAR CUSHION
3723:-
2
09269-12006
BEARING (12X26X16)
974:-
3
62657-05A00
Denna artikel ersätts av 62277-27C20
4
09263-37003
BEARING (37X47X20)
654:-
5
62624-42A00
SEAL, DUST, åtgår 2st
113:-
6
62623-42A11
SPACER, REAR SUSPENSION
1125:-
7
62646-42A11
SPACER, CUSHION LEVER SHAFT, åtgår 2st
227:-
8
09160-12065
Denna artikel ersätts av 09160-12112
9
62625-42A00
WASHER, RH
95:-
10
62621-42A11
SHAFT, CUSHION LEVER
*
11
08319-31128
Denna artikel ersätts av 08319-3112A
12
62647-05A00
SEAL, DUST REAR CUSHION FRONT, åtgår 2st
38:-
13
62316-05A01
SPACER, REAR CUSHION FRONT, åtgår 2st
137:-
14
62668-42A02
BOLT, FRONT (12X62)
124:-
15
08319-31128
Denna artikel ersätts av 08319-3112A
16
62100-42A10-19F
ABSORBER ASSY, REAR SHOCK (BLUE)
*
16
62100-42A11-34S
ABSORBER ASSY, REAR SHOCK (BLUE)
*
17
62226-20900
SEAL, DUST, åtgår 2st
145:-
18
62684-20900
SPACER, åtgår 2st
137:-
19
62226-31300
Denna artikel ersätts av 62226-02B00
19
62226-02B00
SEAL, DUST LOWER, åtgår 2st
94:-
20
62684-31300
COLLAR, LOWER, åtgår 2st
137:-
21
62311-14501
Denna artikel ersätts av 09103-10428
22
09103-10126
BOLT, REAR SHOCK ABS FR
58:-
23
08319-31107
NUT, åtgår 2st
37:-



* Kontakta kundtjänst för prisuppgift: 018-15 60 00