Suzuki » DR350 (DR350 1991 (SM)) » CLUTCH

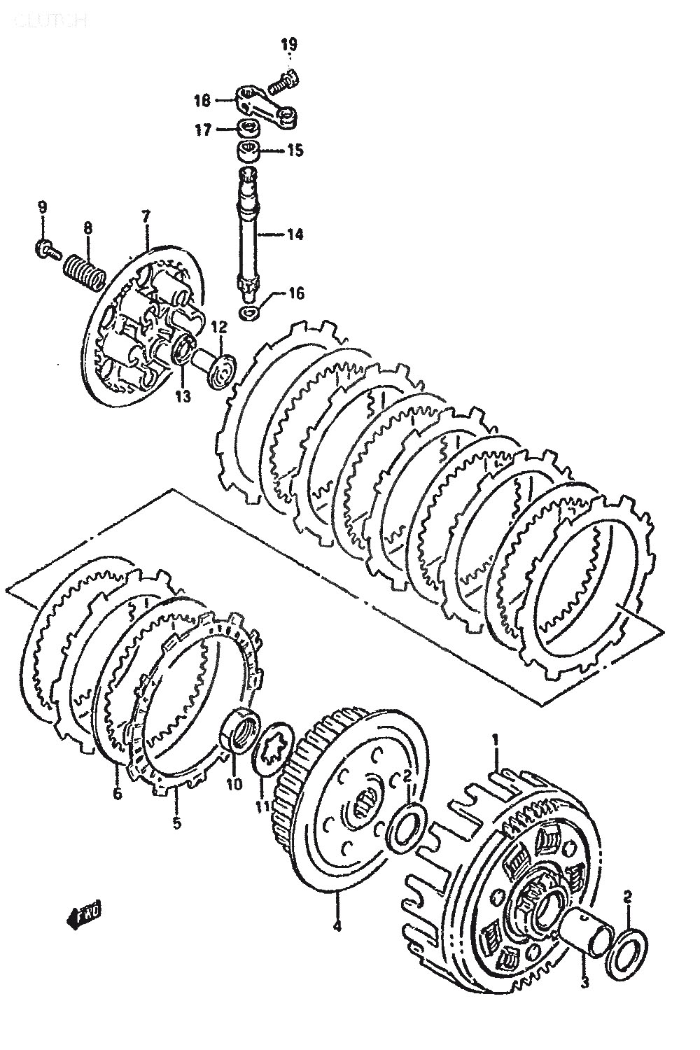
1
21200-14D11
GEAR ASSY, PRIMARY DRIVEN
4873:-
1
21200-15D21
GEAR ASSY, PRIMARY DRIVEN
*
2
08211-20363
THRUST WASHER, åtgår 2st
47:-
3
09180-20109
SPACER (20X25X29)
262:-
4
21410-14D00
HUB, SLEEVE
2057:-
5
21441-12D01
PLATE, DRIVE NO.1, åtgår 7st
289:-
6
21451-14D00
Denna artikel ersätts av 21451-28C31
6
21451-28C30
Denna artikel ersätts av 21451-28C31
7
21462-00B02
DISC, PRESSURE
1077:-
8
09440-15014
SPRING, åtgår 6st
44:-
9
09116-05003
Denna artikel ersätts av 09116-05020
10
09140-20002
Denna artikel ersätts av 09140-20001
11
09167-20009
WASHER
37:-
12
23165-00B00
Denna artikel ersätts av 23165-44B01
13
09263-10002
THRUST BEARING (10.1X22X2.8)
172:-
14
23261-14D02
PINION (NT:12)
882:-
15
09263-12024
BEARING, CL RLSE UP
212:-
16
08211-08141
Denna artikel ersätts av 08211-08161
17
09285-10004
OIL SEAL (10X17X5)
44:-
18
23271-20901
Denna artikel ersätts av 23271-20902
19
01107-06167
Denna artikel ersätts av 01500-06167
19
01500-06163
Denna artikel ersätts av 01500-0616B



* Kontakta kundtjänst för prisuppgift: 018-15 60 00