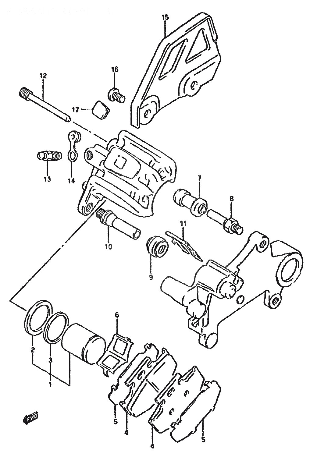
Suzuki » DR350 (DR350 1991 (SM)) » REAR CALIPER (MODEL R)

1
69100-03810
PISTON SET
620:-
2
59107-17C00
Denna artikel ersätts av 69100-13810
3
59108-17C00
Denna artikel ersätts av 69100-13820
4
69140-15D00
Denna artikel ersätts av 69100-15810
5
69132-28C00
SHIM, åtgår 2st
87:-
6
59315-27C10
SPRING
89:-
7
59386-13A00
BOOT
73:-
8
59382-14500
Denna artikel ersätts av 59382-27C30
9
59303-14500
BOOT
62:-
10
59305-27C00
PIN
183:-
11
69113-43D00
RETAINER
88:-
12
59345-14600
PIN, åtgår 2st
187:-
13
59121-01A00
BLEEDER
85:-
14
59122-01A00
CAP, BLEEDER
38:-
15
69725-14D00
GUARD, CALIPER
*
16
02142-06123
Denna artikel ersätts av 02142-0612B
17
69171-14D00
COVER, CALIPER BODY
64:-
18
69171-14D00
COVER, CALIPER BODY
64:-



* Kontakta kundtjänst för prisuppgift: 018-15 60 00