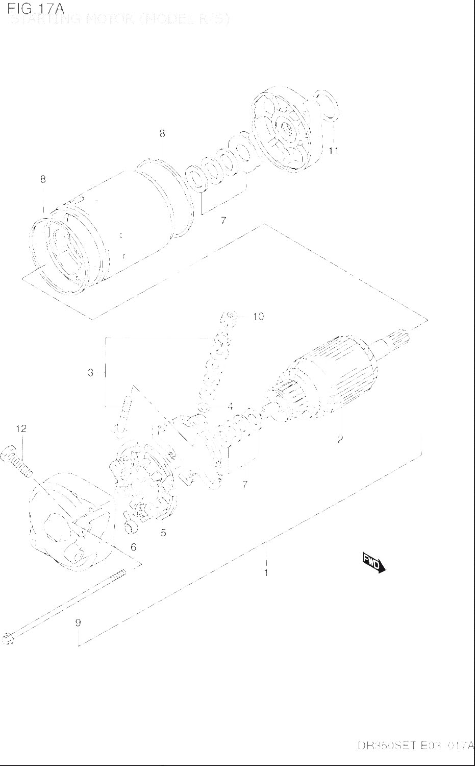
Suzuki » DR350 (DR350 SE 1990-1996 (USA)) » STARTING MOTOR (MODEL R/S)

1
31100-47D01
MOTOR ASSY, STARTING
6045:-
2
31310-15D00
ARMATURE
*
3
31130-38B00
TERMINAL SET, BRUSH
802:-
4
31143-49040
O RING
32:-
5
31132-38B00
HOLDER SET, BRUSH
802:-
6
31135-38B00
SPRING, BRUSH
58:-
7
31170-19B10
WASHER SET
94:-
8
31264-32E00
O RING, åtgår 2st
137:-
9
31280-26D00
BOLT, åtgår 2st
227:-
10
08361-35068
NUT
21:-
11
09280-24003
O RING (D:3.0,ID:24.5)
25:-
12
07130-06203
Denna artikel ersätts av 07130-0620B



* Kontakta kundtjänst för prisuppgift: 018-15 60 00