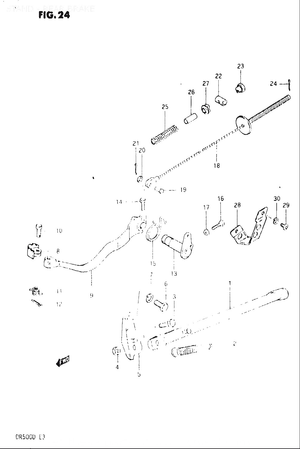
Suzuki » DR500 (DR500 1983 (USA)) » STAND - REAR BRAKE

1
42310-05280-019
STAND,PROP
*
2
09443-17007
SPRING
52:-
3
09100-10067
BOLT
49:-
4
08310-00107
NUT
33:-
5
42330-40400
BRACKET, PROP STAND
*
6
09100-10118
BOLT, åtgår 2st
*
7
08321-01107
LOCK WASHER, åtgår 2st
29:-
8
43110-14130
PEDAL, BRAKE
79:-
10
09200-06038
PIN
28:-
11
09444-11005
SPRING
37:-
12
04111-20158
Denna artikel ersätts av 04111-2015A
14
01500-06207
BOLT
28:-
15
09448-25005
SPRING
65:-
16
09100-06009
BOLT (6X23)
22:-
17
08310-00067
NUT
32:-
18
58510-40400
CABLE ASSY, REAR BRAKE
220:-
19
09200-05001
PIN, FRONT
22:-
20
08322-01067
Denna artikel ersätts av 08322-0106A
21
04111-20158
Denna artikel ersätts av 04111-2015A
22
43380-37200
PIN
*
23
09150-06014
Denna artikel ersätts av 09150-06010
24
04111-20158
Denna artikel ersätts av 04111-2015A
25
09440-11012
SPRING
55:-
26
09352-50823-600
Denna artikel ersätts av 09352-50005-600
27
43370-37300
CUSHION
*
29
02112-05107
SCREW, REGULATOR
20:-
30
08321-01057
Denna artikel ersätts av 08321-0105A



* Kontakta kundtjänst för prisuppgift: 018-15 60 00