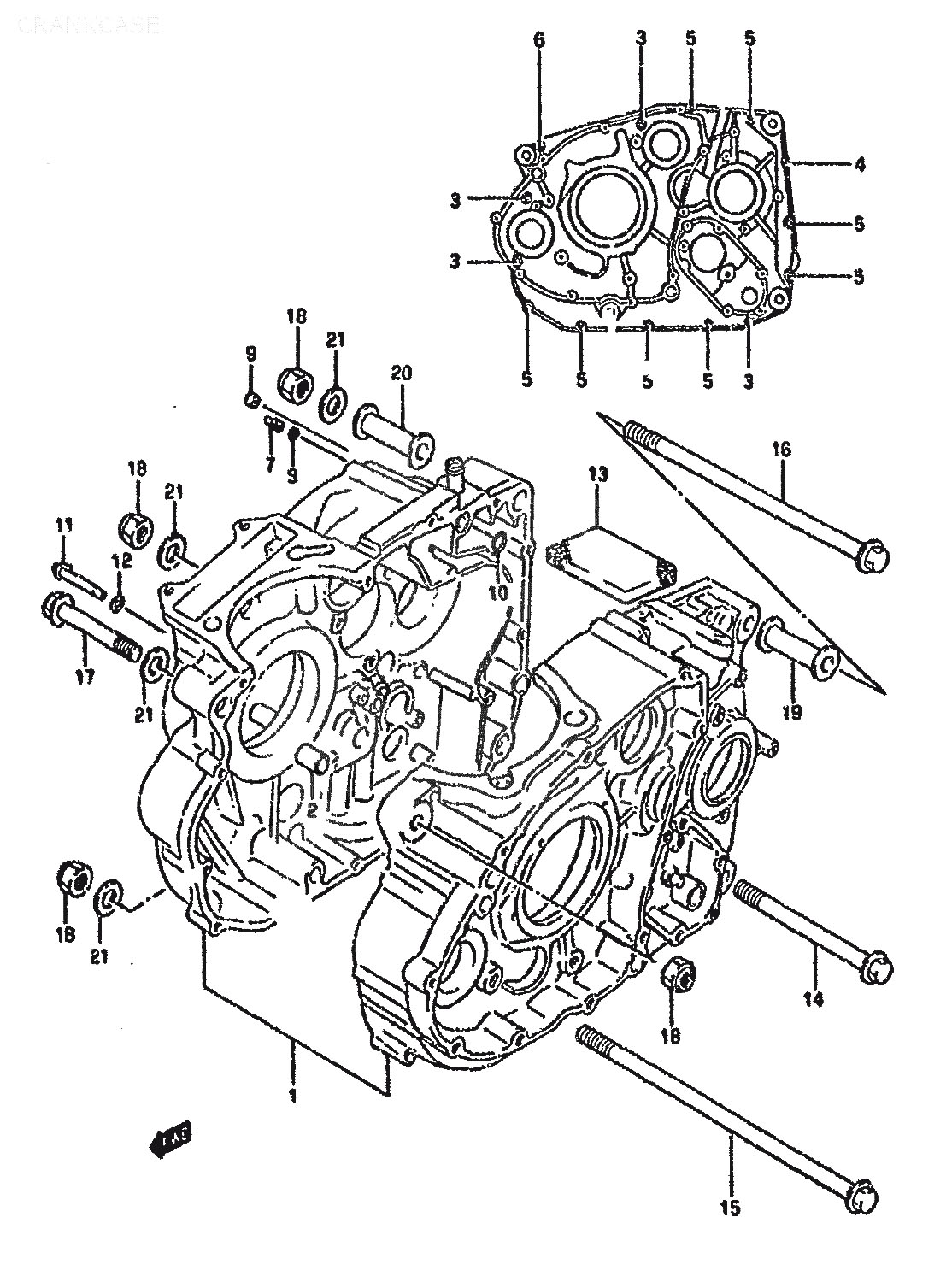
Suzuki » DR650 (DR650 1992 (RSEN)) » CRANKCASE

1
11301-12840
CRANKCASE SET
*
1
11301-12850
CRANKCASE SET
*
2
04211-13189
PIN, åtgår 2st
33:-
3
01547-06603
BOLT, åtgår 4st
34:-
4
01547-06407
BOLT
30:-
26:-
5
01547-06404
Denna artikel ersätts av 01547-06403
5
01547-06403
Denna artikel ersätts av 01547-0640B
6
01547-06304
Denna artikel ersätts av 01547-06307
6
01547-06303
Denna artikel ersätts av 01547-0630B
7
09493-24012
JET
245:-
8
09280-04004
O RING, OIL GALLERY JET
25:-
9
11180-43410
JET, OIL GALLERY
170:-
10
09280-09005
O RING
55:-
11
11390-12D01
PIPE, PISTON COOLING
345:-
12
09280-08012
O RING
55:-
47:-
13
11328-14A03
SEPARATOR, OIL BREATHER
*
14
09103-10237
BOLT (10X130)
103:-
88:-
15
09103-10238
BOLT (10X230)
*
16
09103-10239
BOLT, ENG MTG LOWER
222:-
17
09103-10240
BOLT
119:-
18
09159-10044
Denna artikel ersätts av 09159-10115
18
09159-10058
Denna artikel ersätts av 09159-10115
19
11610-14A00
SPACER (L:55)
190:-
20
11610-45410
SPACER (L:65)
199:-
21
08322-11104
Denna artikel ersätts av 08322-01107
21
08322-01103
Denna artikel ersätts av 08322-0110B



* Kontakta kundtjänst för prisuppgift: 018-15 60 00