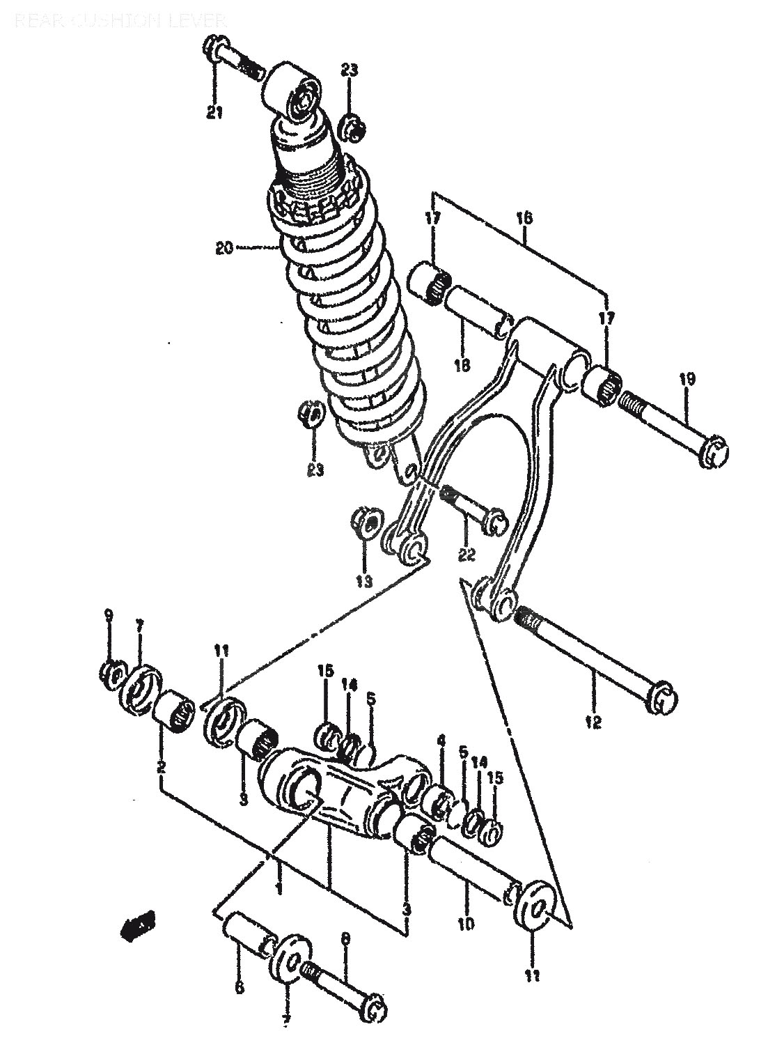
Suzuki » DR650 (DR650 1992 (RSEN)) » REAR CUSHION LEVER

1
62600-12870
LEVER SET, REAR CUSHION
*
1
62600-12871
LEVER SET, REAR CUSHION
*
2
09263-20073
Denna artikel ersätts av 09263-20121
3
09263-20071
BEARING, CENTER (20X27X23.5), åtgår 2st
442:-
4
62175-00B00
BEARING, REAR (10X24X14.5)
979:-
5
62657-34A01
RING, STOPPER, åtgår 2st
19:-
6
62317-44B00
SPACER, FRONT
232:-
7
62624-08D00
SEAL, RR SWGARM PIVOT DUST, åtgår 2st
*
8
62658-00B20
BOLT, FRONT
185:-
9
08319-31128
Denna artikel ersätts av 08319-3112A
10
09180-14013
SPACER, CENTER
*
11
62624-08D10
SEAL, CENTER DUST, åtgår 2st
*
12
62622-44B00
BOLT, ROD LOWER
*
13
08319-31148
Denna artikel ersätts av 08319-3114A
14
62226-14520
DUST SEAL, UPPER, åtgår 2st
*
15
62684-14520
COLLAR, åtgår 2st
125:-
16
62600-44821
ROD SET, REAR CUSHION
*
17
09263-20071
BEARING, CENTER (20X27X23.5), åtgår 2st
442:-
18
09180-14015
SPACER, ROD
*
19
62621-44B00
BOLT, ROD UPPER
*
20
62100-12D10-0NF
ABSORBER ASSY,REAR SHOCK (BLUE)
*
20
62100-12D10-28W
ABSORBER ASSY,REAR SHOCK (WHITE)
8820:-
20
62100-12D30
ABSORBER ASSY,REAR SHOCK (BLACK)
*
21
09103-10064
BOLT, UPPER (10X50)
58:-
21
09103-10213
BOLT, UPPER
60:-
22
09103-10213
BOLT, UPPER
60:-
23
09159-10058
Denna artikel ersätts av 09159-10115



* Kontakta kundtjänst för prisuppgift: 018-15 60 00