Suzuki
»
DR800 (DR800 1990 (SL))
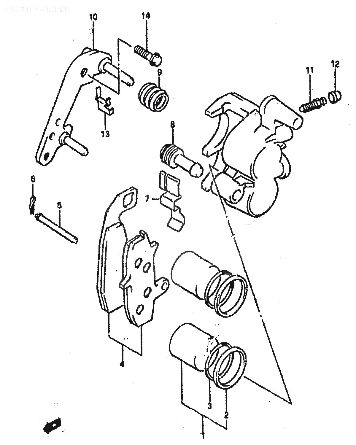
» FRONT CALIPER
1
59300-44840
Denna artikel ersätts av
59300-44841
2
59107-27A10
Denna artikel ersätts av
59107-27A20
3
59108-27A10
.SEAL, WIPER, åtgår 2st
320:-
4
59300-44850
PAD SET
*
5
59141-44B00
Denna artikel ersätts av
59141-44B01
6
69142-45000
CLIP
23:-
7
59315-44B00
SPRING
*
8
59313-36500
INSULATOR
50:-
9
59312-44B00
BOOT
140:-
10
59350-44B00
BRACKET
*
11
59121-18410
BLEEDER
80:-
12
59122-18410
Denna artikel ersätts av
55156-66310
13
59316-44B00
GUIDE, PAD
*
14
09103-08156
BOLT, åtgår 2st
47:-
* Kontakta kundtjänst för prisuppgift: 018-15 60 00
Förstora bilden