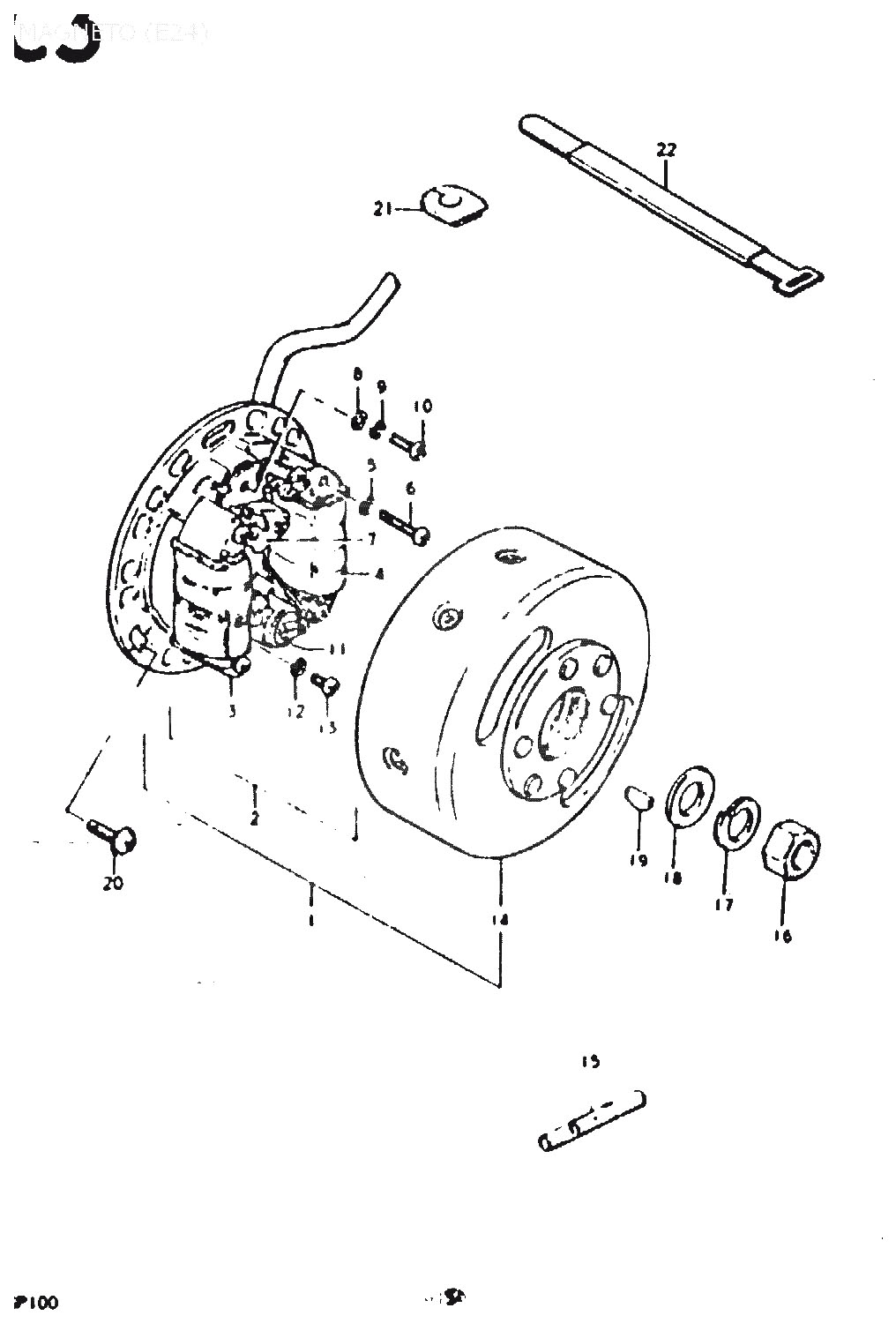
Suzuki » GP100 (GP100 1978 (C)) » MAGNETO (E24)

1
32100-48010
MAGNETO ASSY
*
2
32101-48010
STATOR ASSY
*
3
32120-48010
COIL, LIGHTING
*
4
32140-48010
.COIL, PRIMARY
1140:-
5
08321-21048
Denna artikel ersätts av 08321-0104A
6
02112-04258
Denna artikel ersätts av 02112-04253
7
32240-43012
POINT ASSY, CONTACT
525:-
8
08322-21048
Denna artikel ersätts av 08322-21047
9
08321-21048
Denna artikel ersätts av 08321-0104A
10
09125-04001
SCREW
40:-
11
32341-43012
.CONDENSER
250:-
12
08321-21048
Denna artikel ersätts av 08321-0104A
13
02112-04108
Denna artikel ersätts av 02112-04107
14
32102-48010
ROTOR
*
15
37132-03000
CONNECTOR, DIMMER SWITCH
*
16
09140-10003
Denna artikel ersätts av 09140-10041
17
08321-21108
Denna artikel ersätts av 08321-01107
18
08322-21108
Denna artikel ersätts av 08322-01107
19
08341-31039
KEY
30:-
20
09139-05011
SCREW, åtgår 3st
40:-
21
09309-09007
GROMMET
54:-
22
09407-18301
Denna artikel ersätts av 09407-18302



* Kontakta kundtjänst för prisuppgift: 018-15 60 00