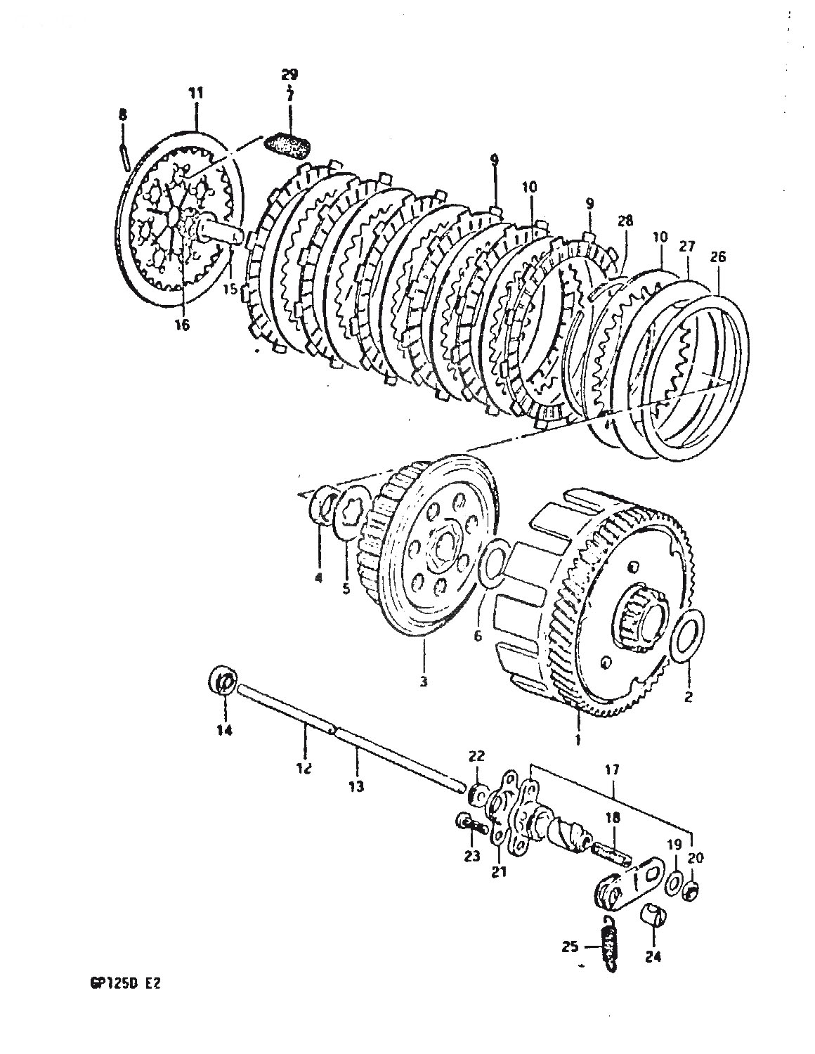
Suzuki » GP125 (GP125 1981 (X)) » CLUTCH

1
21200-39101
GEAR ASSY, PRIMARY DRIVEN
*
2
08211-20323
WASHER
34:-
3
21410-28700
HUB, SLEEVE
*
3
21410-48000
HUB, SLEEVE
*
4
09140-16001
Denna artikel ersätts av 09140-16005
5
09167-17002
CLUTCH SLEEVE HUB WASHER
27:-
6
08211-17282
WASHER (M12MARK2,M15D,M12 OD=29=17(0.67) T=1.5(0.06))
29:-
7
09443-12010
SPRING, åtgår 7st
42:-
8
09261-02001
PIN, åtgår 7st
20:-
9
21441-28301
Denna artikel ersätts av 21441-13A01
9
21441-36200
Denna artikel ersätts av 21442-32C01
10
21451-28000
Denna artikel ersätts av 21451-19A00
10
21451-36200
PLATE, DRIVEN (T:2)
89:-
11
21460-28000
PLATE, CLUTCH PRESSURE
355:-
12
23111-39101
Denna artikel ersätts av 23111-15501
13
23111-28000
Denna artikel ersätts av 23111-34C00
14
09285-06006
Denna artikel ersätts av 09285-06019
15
23121-39101
PIECE, CLUTCH PUSH
*
16
09263-10002
THRUST BEARING (10.1X22X2.8)
172:-
17
23200-39102
SCREW ASSY, RELEASE
492:-
18
09134-06001
Denna artikel ersätts av 09134-06010
19
09160-06019
WASHER
22:-
20
08310-22068
NUT
32:-
21
23241-23000
COVER, RELEASE SCREW
199:-
22
09281-05001
DUST SEAL
34:-
23
02112-05168
Denna artikel ersätts av 02112-05167
24
23222-07000
SPRING
85:-
25
09443-08001
SPRING
40:-
26
21471-36200
SEAT, WAVE WASHER
205:-
27
09164-98001
WAVE WASHER
205:-
28
09381-91001
SNAP RING
*
29
09443-12018
SPRING, åtgår 7st
48:-



* Kontakta kundtjänst för prisuppgift: 018-15 60 00