Suzuki
»
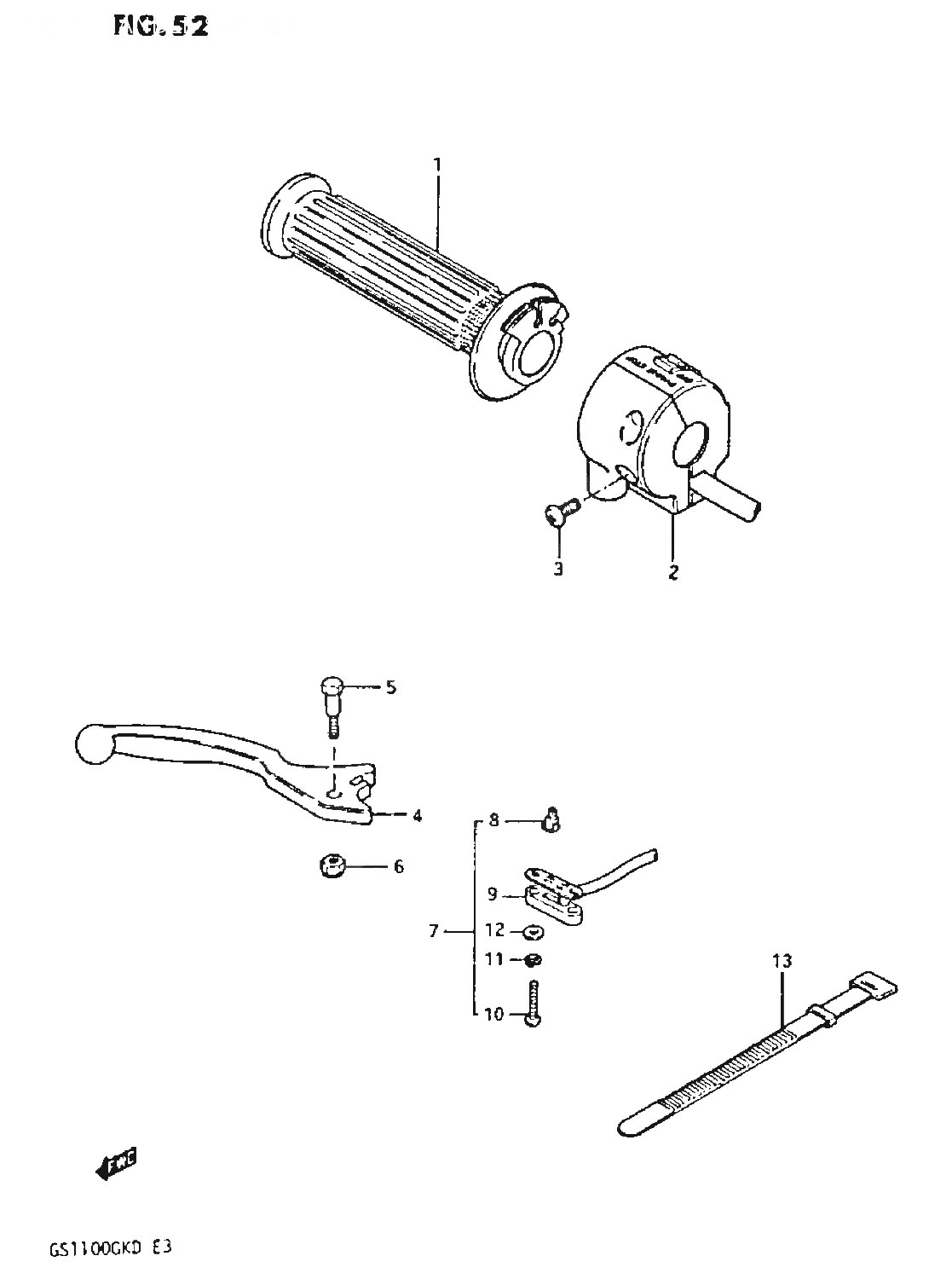
GS1100 (GS1100 1982 (GKZ))
» RIGHT HANDLE SWITCH
1
57110-49501
GRIP, THROTTLE
698:-
2
37200-49591
SWITCH ASSY, HANDLE RH
*
2
37200-49571
SWITCH ASSY,HANDLE R
*
2
37200-49541
SWITCH ASSY, HANDLE RH
*
3
37591-49210
Denna artikel ersätts av
09125-05102
4
57420-49101
LEVER, BRAKE
407:-
5
57431-18621
BOLT
143:-
6
08319-21068
Denna artikel ersätts av
08319-2106A
7
57460-49300
Denna artikel ersätts av
57460-45500
8
57465-18601
CONTACT
64:-
9
57481-33010
COVER
79:-
10
09125-03105
Denna artikel ersätts av
09125-03105-XC0
11
09162-03001
WASHER,LOCK, åtgår 2st
22:-
12
08322-21038
Denna artikel ersätts av
08322-01037
13
09407-12402
CLAMP (K,LM,A,B), åtgår 2st
45:-
* Kontakta kundtjänst för prisuppgift: 018-15 60 00
Förstora bilden