Suzuki » GS1100 (GS1100 1982 (GKZ)) » STARTING MOTOR

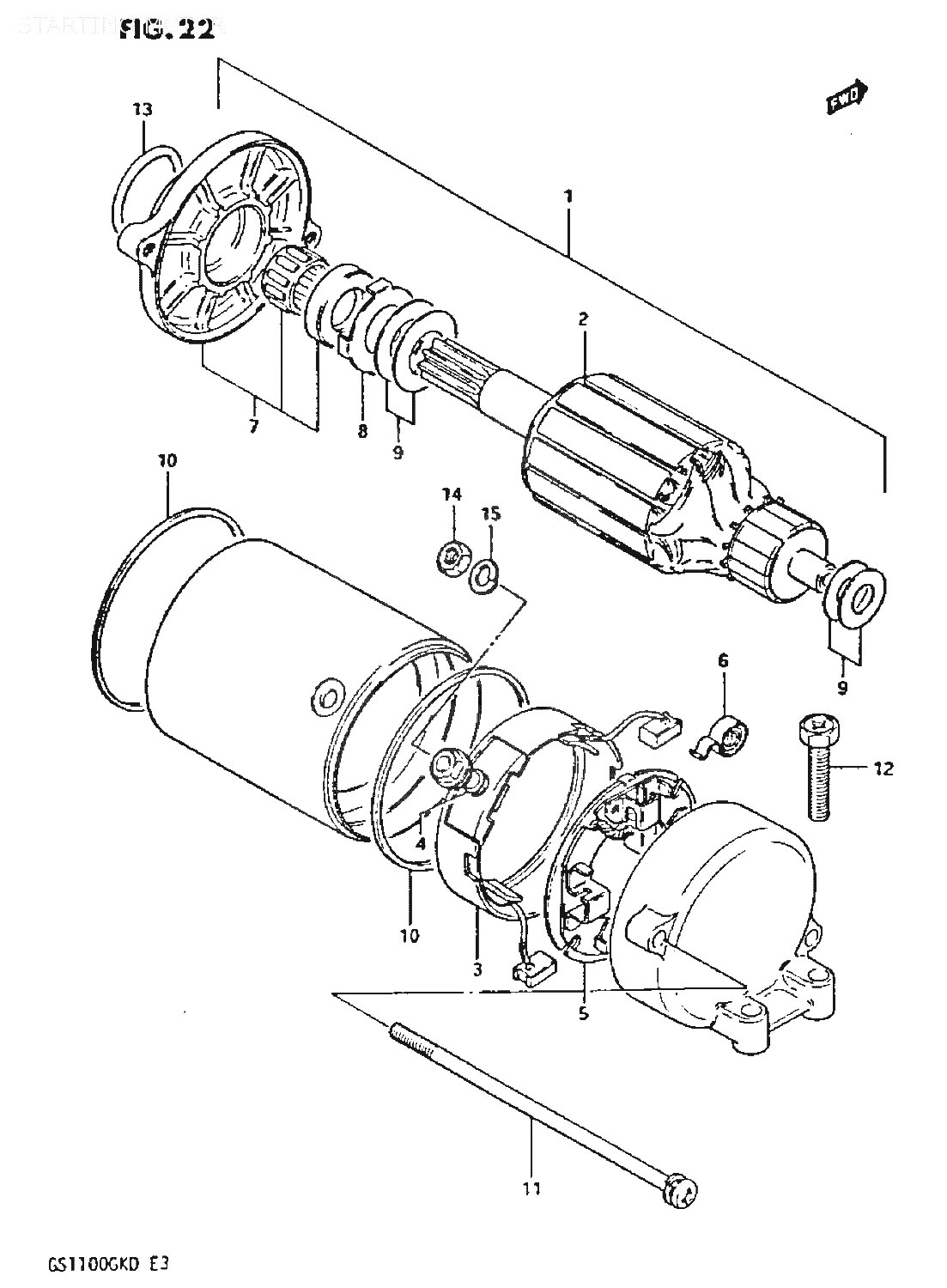
1
31100-49050
MOTOR ASSY, STARTING
*
2
31311-49040
ARMATURE
*
3
31130-05A00
Denna artikel ersätts av 31130-06B00
4
31143-49040
O RING
32:-
5
31132-05A00
Denna artikel ersätts av 31132-06B00
6
31135-49040
SPRING, BRUSH, åtgår 4st
89:-
7
31100-49810
HOUSING SET, DRIVE
550:-
8
31360-49240
THRUST SUPPORT
*
9
31360-49040
Denna artikel ersätts av 31170-31300
10
31264-49040
O RING, åtgår 2st
*
11
31281-49040
SCREW, åtgår 2st
*
12
09128-06024
BOLT (6X25), åtgår 2st
21:-
13
09280-24003
O RING (D:3.0,ID:24.5)
25:-
14
08310-22067
Denna artikel ersätts av 08310-00067
15
08321-01067
LOCK WASHER
29:-



* Kontakta kundtjänst för prisuppgift: 018-15 60 00