Suzuki » GS500 (GS500 1996 (ESKT)) » ELECTRICAL

1
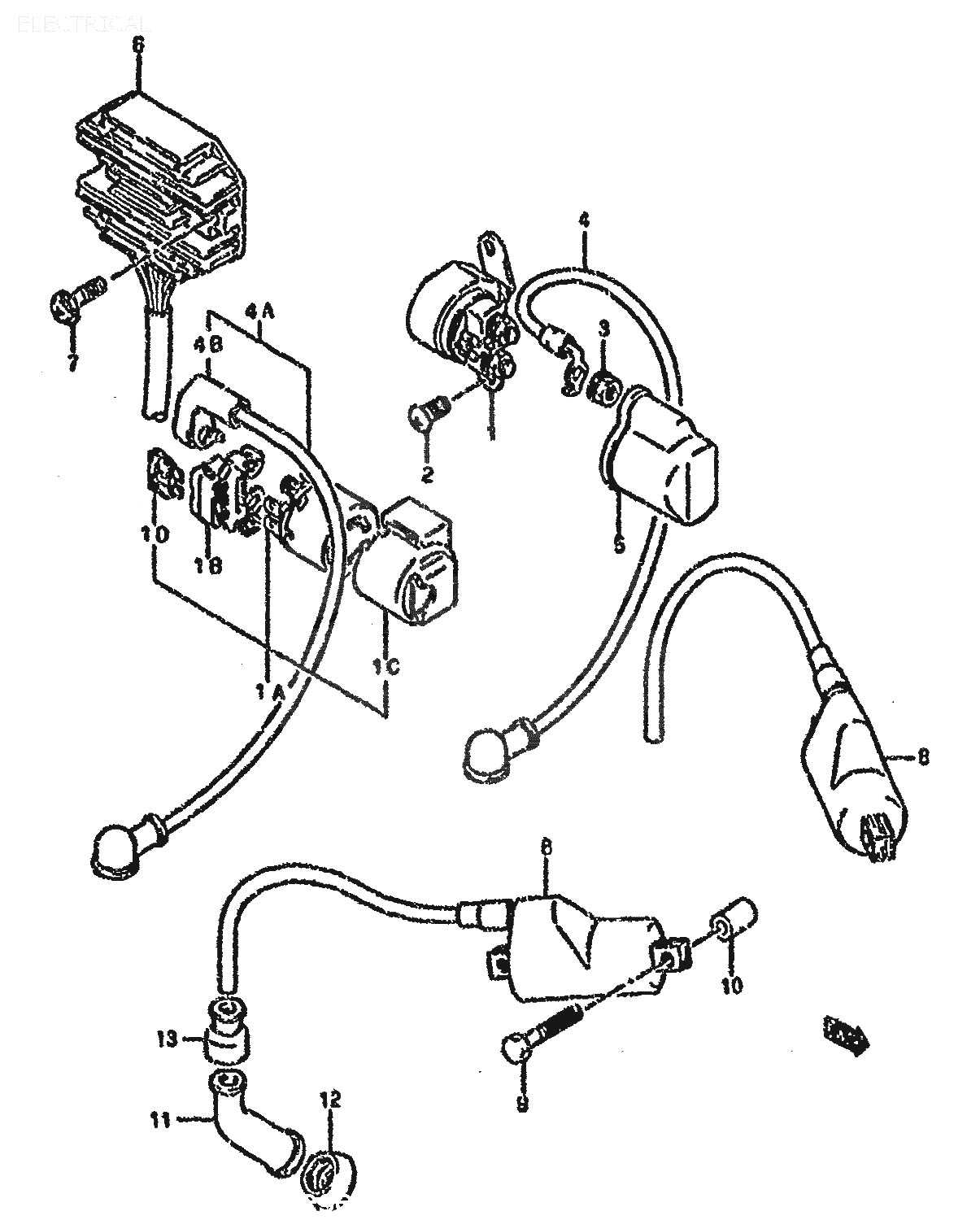
31800-49100
RELAY, STARTING MOTOR
1509:-
1
31800-01D00
RELAY ASSY, STARTING MOTOR
1445:-
1
31841-01D00
TERMINAL, RELAY
462:-
1
31892-07D00
HOLDER, RELAY
219:-
1
09481-20101
FUSE (20A)
32:-
2
02112-06103
Denna artikel ersätts av 02112-0610B
3
08361-35066
NUT, åtgår 2st
*
4
33850-04A00
WIRE,STARTER MO
*
4
33850-01D10
WIRE, STARTER MOTOR LEAD
*
4
33624-01D10
CAP, BATTERY PLUS
155:-
5
31861-46D00
CAP, TERMINAL
119:-
6
32800-30B01
Denna artikel ersätts av 32800-30B00
6
32800-33C00
RECTIFIER ASSY
4252:-
7
02152-06206
SCREW, åtgår 2st
*
7
02142-06203
Denna artikel ersätts av 02142-0620B
8
33410-01D00
COIL ASSY, IGNITION, åtgår 2st
2537:-
9
01107-06406
Denna artikel ersätts av 01500-06403
9
01500-06403
Denna artikel ersätts av 01500-0640B
10
09180-06204
SPACER (6.2X12X18), åtgår 4st
*
11
33510-38B00
CAP, SPARK PLUG, åtgår 2st
362:-
11
33510-22010
CAP, SPARK PLUG, åtgår 2st
152:-
11
33510-38B00
CAP, SPARK PLUG, åtgår 2st
362:-
12
33541-24510
Denna artikel ersätts av 33541-47D00
13
33542-38B00
SEAL, HIGH TENSION CORD, åtgår 2st
43:-



* Kontakta kundtjänst för prisuppgift: 018-15 60 00