Suzuki
»
GS550 (GS550 1980 (T))
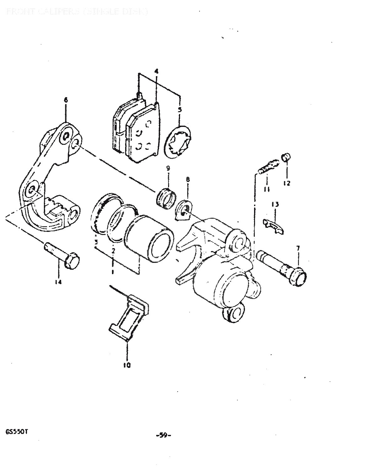
» FRONT CALIPERS (SINGLE DISK)
1
59300-49830
PISTON SET
*
2
59307-45020
.SEAL, PISTON
*
3
59308-49050
.BOOT, PISTON
*
4
59300-49820
Denna artikel ersätts av
59300-49821
5
59371-49000
.SHIM PAD
*
6
59351-49000
HOLDER, CALIPERS
*
7
59305-49000
Denna artikel ersätts av
59305-49001
8
59317-49000
NUT, åtgår 2st
*
9
59312-49000
BOOT, åtgår 2st
175:-
10
59315-49000
SPRING
165:-
11
59121-47050
Denna artikel ersätts av
59121-34020
12
52474-60020
Denna artikel ersätts av
55156-66310
13
59324-49000
COVER, åtgår 2st
*
14
09103-10019
BOLT, REAR (10X37), åtgår 2st
34:-
* Kontakta kundtjänst för prisuppgift: 018-15 60 00
Förstora bilden