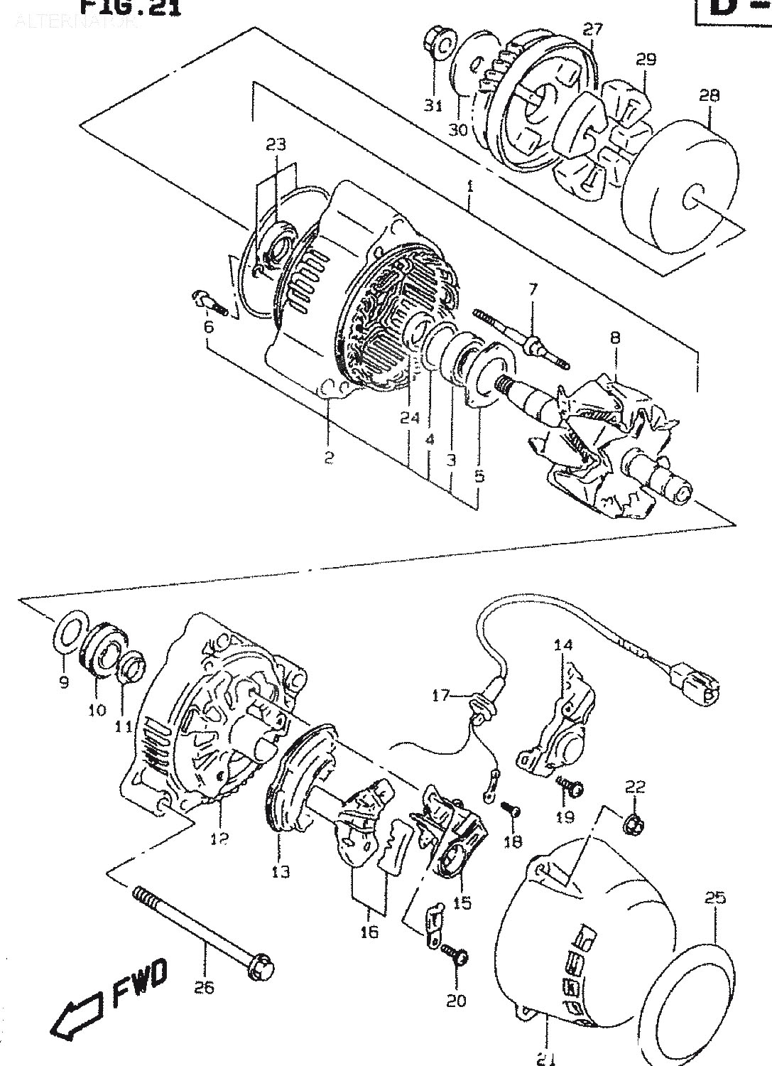
Suzuki » GSF1200 (GSF1200 1998 (SW)) » ALTERNATOR

1
31400-17C04
Denna artikel ersätts av 31400-17C04
1
31400-19C10
Denna artikel ersätts av 31400-17C04
2
31580-48B00
FRAME, DRIVE END
*
3
31612-06B00
.BEARING
652:-
4
31613-48B00
.COVER, BEARING
103:-
5
31585-48B00
.RETAINER, BEARING
195:-
6
31586-48B00
.SCREW, BEARING RETAINER, åtgår 3st
*
7
31587-85250
STUD BOLT, åtgår 3st
277:-
8
31710-48B04
ROTOR ASSY
*
8
31710-19C10
ALTERNATOR ASSY
5195:-
9
31613-82610
COVER, BEARING
84:-
10
31612-48B00
BEARING
767:-
11
31613-27A10
COVER, NO.2
103:-
12
31611-48B00
FRAME, END
2265:-
13
31621-27A00
HOLDER, RECTIFIER
*
14
32500-27A00
REGULATOR
4555:-
15
31656-48B00
HOLDER, BRUSH
945:-
16
31687-17E00
COVER, RECTIFIER
90:-
17
31480-48B00
LEAD WIRE
*
18
02112-04063
Denna artikel ersätts av 02112-0406B
19
31688-27A00
SCREW (5X17), åtgår 2st
*
20
31688-27A00
SCREW (5X17)
*
21
31614-48B00
COVER
1845:-
22
08316-10053
Denna artikel ersätts av 08316-1005A
23
31780-27X50
SERVICE KIT, A
740:-
24
31776-06B00
SPACER
409:-
25
31615-27E00
PLATE, ALTERNATOR ABSORBER
*
26
01550-08903
BOLT, åtgår 3st
47:-
27
22730-27A04
GEAR, GENERATOR DRIVEN
*
27
22730-27A05
GEAR, GENERATOR DRIVEN
3218:-
28
22733-27A05
HOUSING DAMPER
1747:-
29
21231-06B00
DAMPER, åtgår 4st
93:-
30
08211-10283
WASHER
40:-
31
08316-20103
Denna artikel ersätts av 08316-2010B



* Kontakta kundtjänst för prisuppgift: 018-15 60 00