Suzuki
»
GSF1200 (GSF1200 1998 (SW))
» STAND
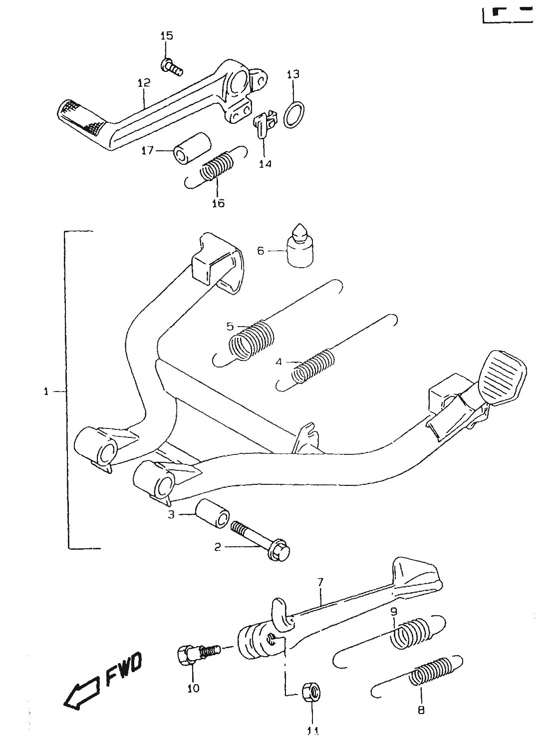
1
42100-26821
Denna artikel ersätts av
42100-26822
1
42100-26822
STAND SET, CENTER
3915:-
2
09103-10126
BOLT, REAR SHOCK ABS FR, åtgår 2st
58:-
3
09180-10113
SPACER, åtgår 2st
228:-
4
09443-14059
SPRING, INNER
158:-
5
09443-22013
SPRING, OUTER
147:-
6
09321-10017
CUSHION
95:-
7
42310-27E01
STAND, PROP
1953:-
8
09443-12036
SPRING, INNER
108:-
9
09443-19010
SPRING, OUTER
84:-
10
09111-10027
BOLT
43:-
11
09159-10027
NUT, REAR CUSHION ROD RR
40:-
11
08319-21103
Denna artikel ersätts av
08319-2110A
12
43111-31E01
PEDAL, BRAKE
1072:-
13
09160-18022
WASHER
38:-
14
43560-32C00
BRACKET, STOP SWITCH
80:-
15
02112-05163
Denna artikel ersätts av
02112-0516B
16
09443-13029
SPRING
70:-
17
43261-17C00
TUBE, SPRING
92:-
Förstora bilden