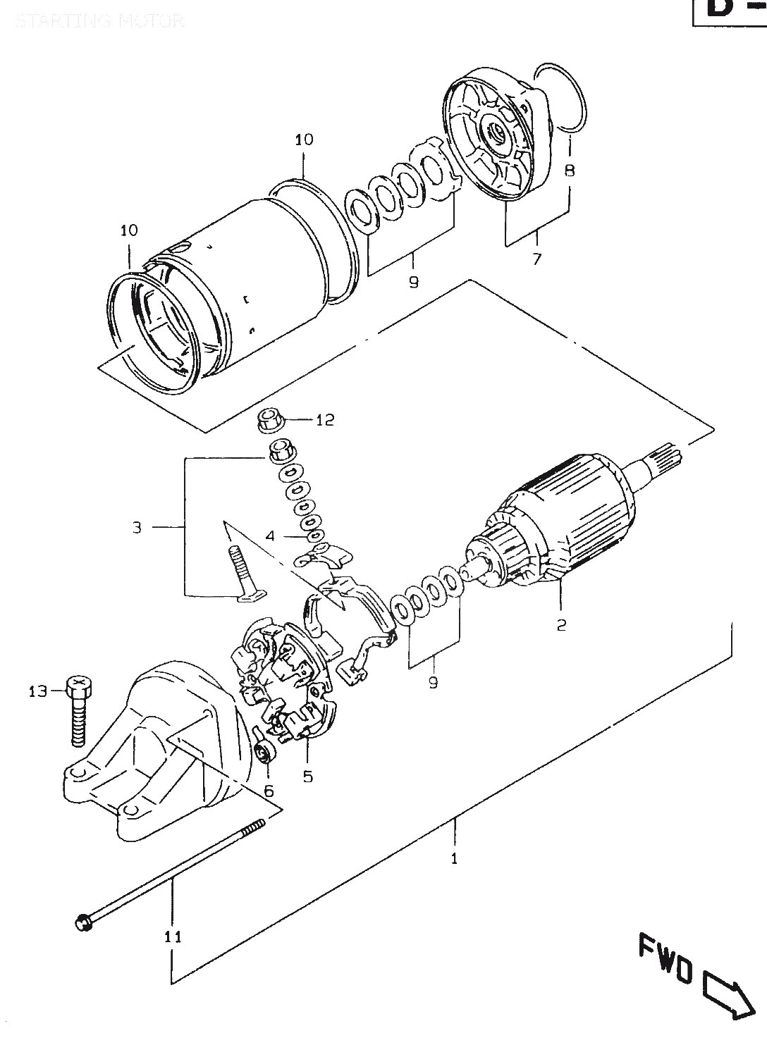
Suzuki » GSF1200 (GSF1200 1998 (SW)) » STARTING MOTOR

1
31100-26D00
MOTOR ASSY, STARTING
*
1
31100-26D10
MOTOR ASSY, STARTING
9350:-
2
31310-40C02
ARMATURE
3819:-
3
31130-38B00
TERMINAL SET, BRUSH
802:-
4
31143-49040
O RING
32:-
5
31132-38B00
HOLDER SET, BRUSH
802:-
6
31135-38B00
SPRING, BRUSH, åtgår 4st
58:-
7
31150-26D00
BRACKET ASSY, FRONT
2077:-
8
31156-48B00
O RING
138:-
9
31170-19B10
WASHER SET
94:-
10
31264-31300
Denna artikel ersätts av 31264-32E00
10
31264-32E00
O RING, åtgår 2st
137:-
11
31280-26D00
BOLT, åtgår 2st
227:-
12
08361-35068
NUT
21:-
13
09128-06024
BOLT (6X25), åtgår 2st
21:-



* Kontakta kundtjänst för prisuppgift: 018-15 60 00