Suzuki » GSF1200 (GSF1200 S BANDIT 1997-2000 (USA)) » FRAME (MODEL X)

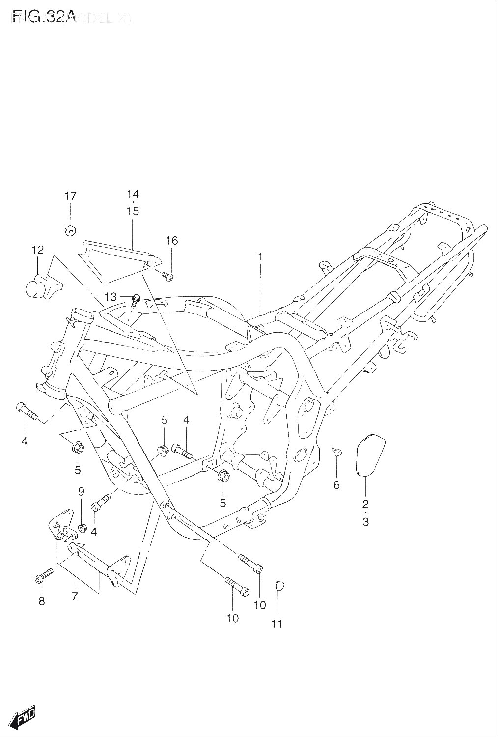
1
41100-27E61-33J
FRAME (BLACK)
28065:-
1
41100-27E61-Y7G
FRAME (GREEN)
*
1
41100-27E71-33J
FRAME (BLACK)
*
1
41100-27E71-Y7G
FRAME (GREEN)
*
2
41639-26E00
CAP, BODY RH
334:-
3
41649-26E00
CAP, BODY LH
334:-
4
09106-10019
BOLT, REAR, åtgår 6st
55:-
5
08319-31103
Denna artikel ersätts av 08319-3110A
6
09409-07329
CLIP, åtgår 4st
55:-
7
41900-27E00-33J
Denna artikel ersätts av 41900-27E00-019
7
41900-27E00-Y7G
PLATE, ENGINE MOUNT (GREEN)
*
8
07120-10303
Denna artikel ersätts av 07120-1030B
9
08319-31103
Denna artikel ersätts av 08319-3110A
10
07130-08503
BOLT, åtgår 4st
43:-
11
09250-08016
CAP, åtgår 4st
30:-
12
42550-27E50
DAMPER, FRAME
*
13
01550-0612A
BOLT, åtgår 2st
30:-
14
47511-26E00-291
COVER, FRAME HEAD RH (BLACK)
300:-
15
47521-26E00-291
COVER, FRAME HEAD LH (BLACK)
370:-
16
09139-05021
SCREW, åtgår 2st
32:-
17
09320-08013
CUSHION, åtgår 2st
34:-



* Kontakta kundtjänst för prisuppgift: 018-15 60 00