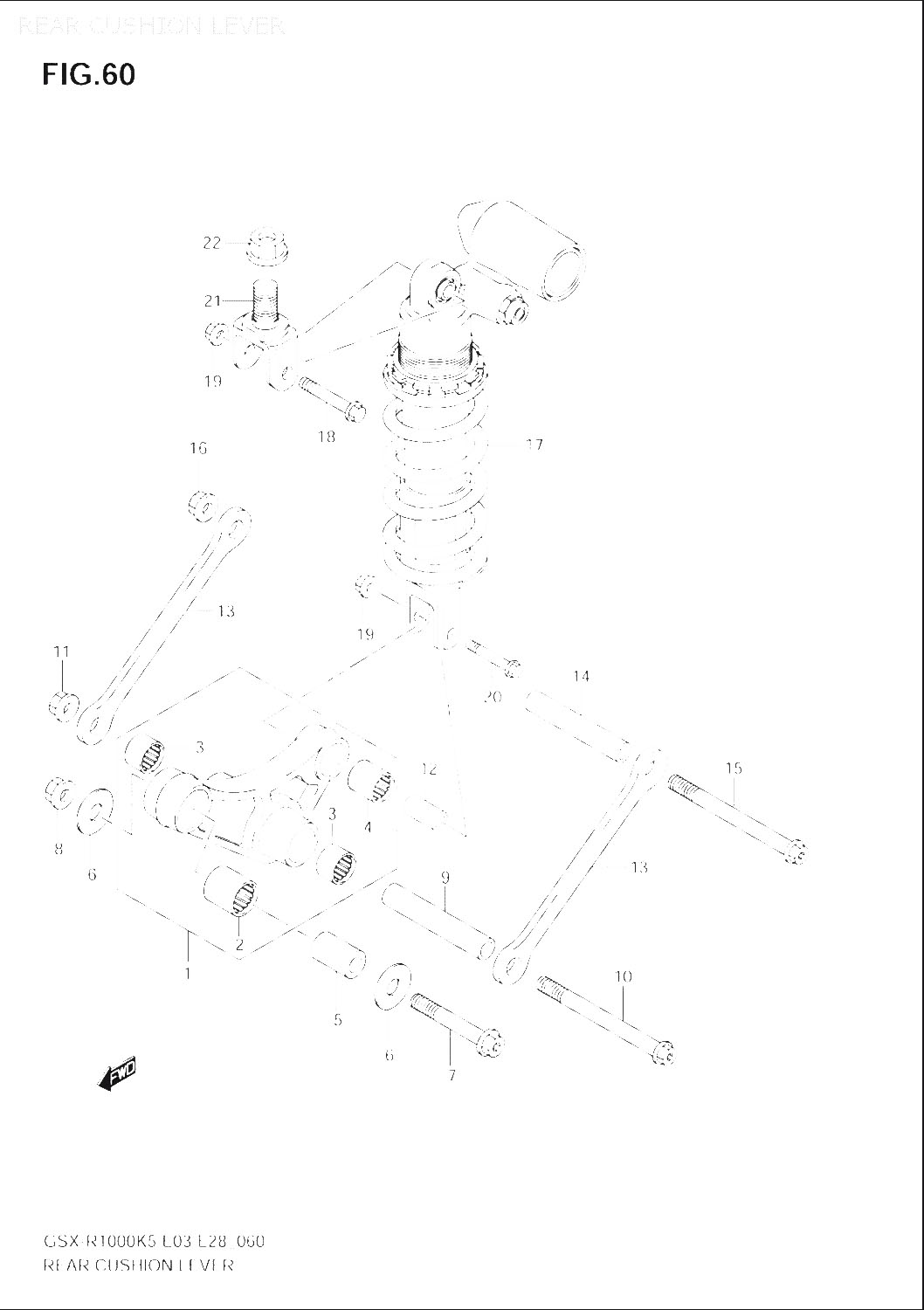
Suzuki » GSX-R1000 (GSX-R1000 2005-2006 (USA)) » REAR CUSHION LEVER

1
62600-41810
LEVER SET, REAR CUSHION
6030:-
2
09263-20073
Denna artikel ersätts av 09263-20121
3
09263-17039
Denna artikel ersätts av 09263-17058
4
09263-17034
Denna artikel ersätts av 09263-17057
5
62684-12C00
SPACER, FRONT (12X78)
212:-
6
09160-12037
WASHER, åtgår 2st
49:-
7
62658-35F00
BOLT, FRONT
654:-
8
09159-12056
NUT
102:-
9
62626-33D00
SPACER, ROD
294:-
10
62621-35F00
BOLT, ROD
794:-
11
09159-12056
NUT
102:-
12
62684-40A10
SPACER, REAR CUSHION LEVER
112:-
13
62641-41G00
ROD, REAR CUSHION LEVER, åtgår 2st
794:-
14
62626-33D00
SPACER, ROD
294:-
15
62621-35F00
BOLT, ROD
794:-
16
09159-12056
NUT
102:-
17
62100-41G10-163
ABSORBER ASSY, REAR SHOCK
*
18
09103-10143
BOLT, LOWER
49:-
19
09159-10115
NUT, åtgår 2st
53:-
20
09103-10143
BOLT, LOWER
49:-
21
62993-35F00
BRACKET, ABSORBER
1865:-
22
09159-20006
NUT
365:-



* Kontakta kundtjänst för prisuppgift: 018-15 60 00