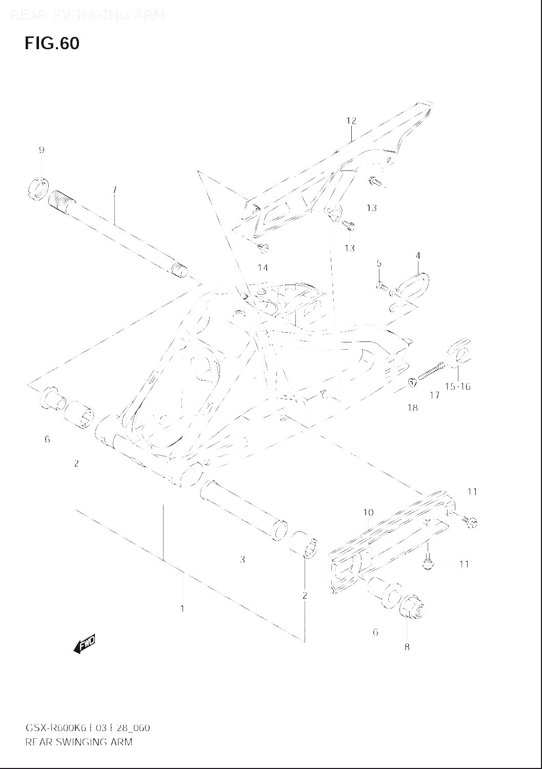
Suzuki » GSX-R600 (GSX-R600 (USA)) » REAR SWINGING ARM

1
61000-01H00-YAP
SWINGING ARM ASSY, REAR
23637:-
2
09263-27013
Denna artikel ersätts av 09263-27015
3
61281-41G00
SPACER, CENTER
652:-
4
61124-41G00-A05
PLATE, BRACKET
100:-
5
09125-06073-A05
SCREW
25:-
6
61251-41G00-A05
SPACER, BEARING, åtgår 2st
*
7
61211-01H00
SHAFT, PIVOT
1942:-
8
09159-20006-A05
NUT
362:-
9
61214-42E00-A05
NUT, PIVOT
*
10
61273-01H00
BUFFER, CHAIN TOUCH DEFENSE
909:-
11
09111-06072-A05
Denna artikel ersätts av 09111-06072
12
61311-01H00
Denna artikel ersätts av 61311-01H10
13
09103-06289
BOLT, åtgår 2st
29:-
14
09409-08308-5ES
CLIP (BLACK)
30:-
15
61445-40F20
Denna artikel ersätts av 61445-40F00
16
61446-40F10
ADJUSTER, CHAIN, L
682:-
17
09100-08287-A05
BOLT (8X50), åtgår 2st
41:-
18
08316-1008A
NUT, IDLE GEAR SHAFT, åtgår 2st
34:-



* Kontakta kundtjänst för prisuppgift: 018-15 60 00